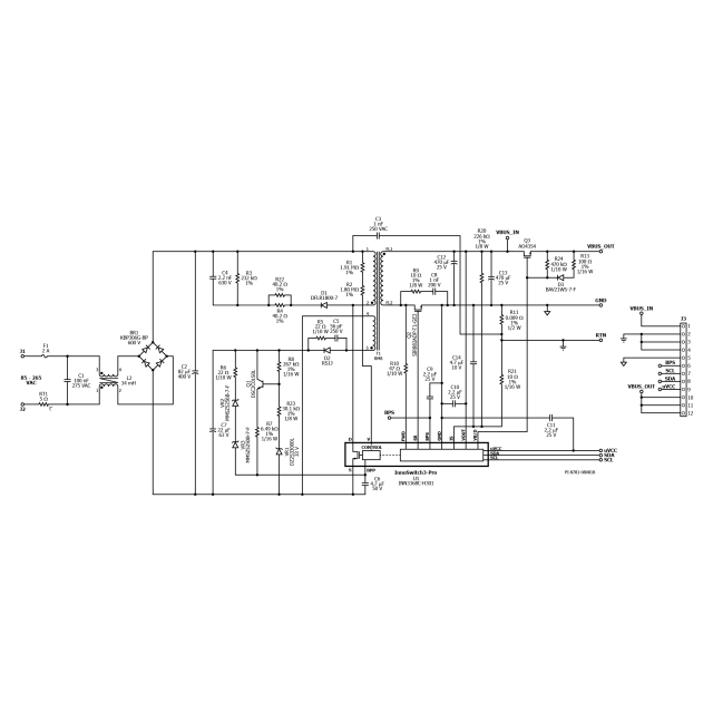
DER USB PD - 702-45 W 3.0 with 3.3 V - 16 V PPS Power Supply Using InnoSwitch3 - Pro and Weltrend WT6635P Controller
45 W 3.0 with PPS charger USB PD (5 V / 3 A;9 V / 3 A;15 V / 3 A;20 V / 2.25 A;3.3 V - 16 V PPS outputs) using InnoSwitch3 - Pro (INN3368C - H301) and Weltrend WT6635P USB PD controller


