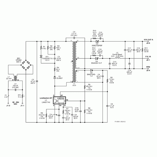
명세서 设计类型 参考设计报告(RDR) 토폴로지 飞回来 rohs? 是的 VOUT 1 5.00 v VOUT 2 18.00 v vin(最小) 90 VIN(最大) 265 CV/CC CC 效率 90.00% 절연? 是的 输出数量 2 출력전력 17.00 w PFC? 是的 相关零件 LNK6774V Gerber文件 rd321gerber.zip