SiC MOSFET전원스위치구동
폭넓은SCALE게이트드라이버제품으로SiC MOSFET파워스위치제어
실리콘카바이드MOSFET(原文如此)은고전력인버터애플리케이션의스위칭성능을이동향상시켜높은항복전계강도와캐리어이동속도를제공하는동시에써멀성능을향상시킵니다。그러나SiC는보다소형화된설계에서더빠른회로단락보호를필요로하며다양한SiC아키텍처에서다양한전압을지원해야하는게이트드라이버고유의문제가있습니다。
尺度驱动SiC MOSFET게이트드라이버IC
π의새로운SIC1182K SCALE-iDriver IC는외부부스트스테이지없이사용가능한최고피크-출력게이트전류를제공하는고효율단일채널SiC MOSFET게이트드라이버입니다。오늘날의SiC MOSFET요구사항의범위와일치하는다양한게이트드라이브전압을지원하도록구성할수있습니다。
SCALE-2 SCALE-2 +게이트드라이버코어및SCALE-iDriver게이트드라이버IC
IGBT및MOSFET과같은기존의Si기반파워디바이스를구동하는것외에도SCALE-iDriver게이트드라이버IC와SCALE-2및SCALE-2 +게이트드라이버코어는SiC MOSFET파워스위치를구동할수있습니다。
사용가능한게이트드라이버제품
- SIC1182K- SiC MOSFET게이트드라이버
- SCALE-iDriver—게이트드라이버IC
- 2 sc0115t-12- scale-2 +드라이버코어
- 2 sc0435t-17- scale-2 +드라이버코어플래너
- 트랜스포머가있는1 sc2060p-17- scale-2드라이버코어플래너
- 트랜스포머가있는2 sc0650p-17- scale-2드라이버코어
- 2 sc0535t-17- scale-2드라이버코어
- 2 sc0635t-45- scale-2드라이버코어
SiC,게이트드라이버에대한고유한과제제시
공급업체와세대가다른SiC MOSFET스위치는게이트턴온및턴오프전압수준에대한요구사항이다릅니다。예를들어,일부장치는15 v / -10 v로작동하지만다른장치는19 v / 6 v에서작동할수있습니다。또한게,이트소스안전작동영역을초과하지않도록하기위해일부장치는레귤레이션된턴온전압이필요하지만다른장치는레귤레이션된마이너스턴오프전압이필요합니다。
规模게이트드라이버를다른요구사항에맞게조정하기위해게이트턴온및턴오프레벨관련플러스및마이너스전압레일에대한전압파티셔닝제어(v字形레귤레이터)를무시할수있습니다。자세한내용은애플리케이션노트an-1601을참조하십시오。

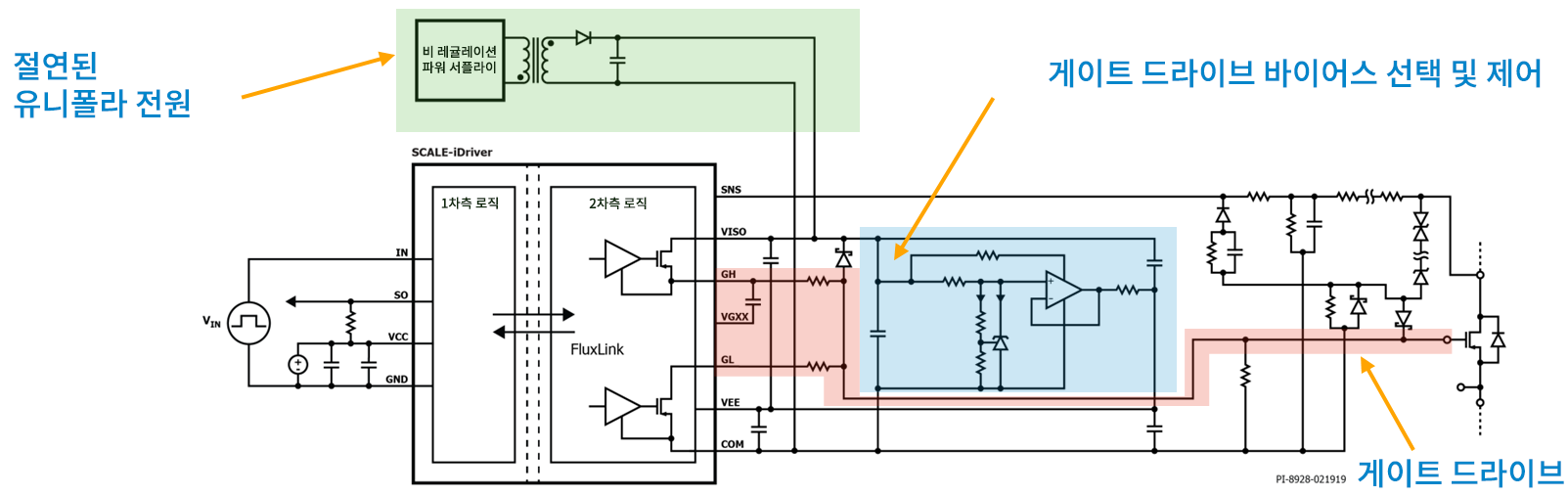
그림2。SCALE-iDriver는GSSiC MOSFET을지원합니다。

그림3。VEx / VEE핀이시된다른SCALE게이트드라이버고정
SCALE게이트드라이버로Sic MOSFET을구동해야하는이유?
|
|
Sic1182k의포괄적보호기능
|
|
