2 sc0108t
双通道SCALE-2+驱动核心,最高集成度超紧凑,高品质8A栅极电流,2 × 1w输出功率
애플리케이션
|
제품
|
제품
|
데이터시트
|
Igbt전압등급
|
채널 수
|
등각코팅?
|
지원되는모듈유형
|
지원되는모듈
|
Igbt제조업체
|
논리입력전압
|
보호 기능
|
기술
|
터페이스유형
|
지원되는토폴로지
|
공급전압(일반)
|
게이트턴온전압
|
게이트턴오프전압
|
출력전력/채널-최대
|
게이트피크전류(최대)
|
격리 유형
|
격리 기술
|
최대스위칭주파수
|
시간-출력하락
|
시간-출력상승
|
Ul준수
|
드라이브모드
|
작동온도(최소)
|
작동온도(최대)
|
메tmp /주변
|
모듈하우징
|
选择信息
|
병렬지원?
|
rom
|
|---|---|---|---|---|---|---|---|---|---|---|---|---|---|---|---|---|---|---|---|---|---|---|---|---|---|---|---|---|---|---|---|---|
|
数据表
PDF보기
|
IGBT电压等级
650 V
|
通道数
2
|
|
|
支持模块(年代)
任何
|
IGBT制造商
三菱/Powerex,东芝,Dynex,丹佛斯,富士,日立,IXYS,英飞凌,ABB
|
|
|
技术
SCALE-2
|
接口类型
标准变压器
|
|
|
|
|
功率-输出/通道(最大)
1.0 W
|
|
|
|
最大开关频率
50.0千赫
|
|
|
UL兼容
公认的
|
|
温度-操作(Min)
-40℃
|
温度-运行(最高)
85℃
|
|
模块的住房
任何
|
|
|
rom
没有
|
||
|
数据表
PDF보기
|
IGBT电压等级
1200 V
|
通道数
2
|
保形涂层吗?
没有
|
支持的模块类型
IGBT, n通道MOSFET
|
|
|
逻辑输入电压
5
|
保护功能
Adv主动夹紧,短路,UVLO(秒侧),UVLO(pri侧)
|
技术
SCALE-2
|
接口类型
电
|
支持拓扑bob电竞体育平台app
2级电压源,3级np -箝位- 1型,3级np -箝位- 2型,多级np -箝位
|
供电电压(类型)
15 V
|
栅极接通电压
+ 15.0 V
|
栅极关断电压
——9.4 V
|
功率-输出/通道(最大)
1.2 W
|
栅极峰值电流(最大)
+ 8
|
隔离型
钢筋
|
隔离技术
电
|
最大开关频率
50.0千赫
|
时间-产量下降
15 ns
|
时间-产量上升
17 ns
|
|
驱动方式
Halfbridge, Direct-Independent
|
|
|
主要/外围
N/A
|
|
选择信息
保形涂层版本2SC0108T2D0C-12
|
并联支持吗?
没有
|
|
||
|
数据表
PDF보기
|
IGBT电压等级
1200 V
|
通道数
2
|
保形涂层吗?
是的
|
支持的模块类型
IGBT, n通道MOSFET
|
|
|
逻辑输入电压
5
|
保护功能
Adv主动夹紧,短路,UVLO(秒侧),UVLO(pri侧)
|
技术
SCALE-2
|
接口类型
电
|
支持拓扑bob电竞体育平台app
2级电压源,3级np -箝位- 1型,3级np -箝位- 2型,多级np -箝位
|
供电电压(类型)
15 V
|
栅极接通电压
+ 15.0 V
|
栅极关断电压
——9.4 V
|
功率-输出/通道(最大)
1.2 W
|
栅极峰值电流(最大)
+ 8
|
隔离型
钢筋
|
隔离技术
电
|
最大开关频率
50.0千赫
|
时间-产量下降
15 ns
|
时间-产量上升
17 ns
|
|
驱动方式
Halfbridge, Direct-Independent
|
|
|
主要/外围
N/A
|
|
|
并联支持吗?
没有
|
|
||
|
数据表
PDF보기
|
IGBT电压等级
1700 V
|
通道数
2
|
保形涂层吗?
没有
|
支持的模块类型
IGBT, n通道MOSFET
|
|
|
逻辑输入电压
5
|
保护功能
基本主动夹紧,短路,软停机,UVLO(秒侧),UVLO(prii侧)
|
技术
SCALE-2 +
|
接口类型
电
|
支持拓扑bob电竞体育平台app
2级电压源,3级np -箝位- 1型,3级np -箝位- 2型,多级np -箝位
|
供电电压(类型)
15 V
|
栅极接通电压
+ 15.0 V
|
栅极关断电压
——9.4 V
|
功率-输出/通道(最大)
1.2 W
|
栅极峰值电流(最大)
+ 8
|
隔离型
钢筋
|
隔离技术
电
|
最大开关频率
50.0千赫
|
时间-产量下降
15 ns
|
时间-产量上升
17 ns
|
UL兼容
兼容的
|
驱动方式
Halfbridge, Direct-Independent
|
|
|
主要/外围
N/A
|
模块的住房
任何
|
选择信息
保形涂层版本2SC0108T2F1C-17
|
并联支持吗?
没有
|
|
||
|
数据表
PDF보기
|
IGBT电压等级
1700 V
|
通道数
2
|
保形涂层吗?
是的
|
支持的模块类型
IGBT, n通道MOSFET
|
|
|
逻辑输入电压
5
|
保护功能
基本主动夹紧,短路,软停机,UVLO(秒侧),UVLO(prii侧)
|
技术
SCALE-2 +
|
接口类型
电
|
支持拓扑bob电竞体育平台app
2级电压源,3级np -箝位- 1型,3级np -箝位- 2型,多级np -箝位
|
供电电压(类型)
15 V
|
栅极接通电压
+ 15.0 V
|
栅极关断电压
——9.4 V
|
功率-输出/通道(最大)
1.2 W
|
栅极峰值电流(最大)
+ 8
|
隔离型
钢筋
|
隔离技术
电
|
最大开关频率
50.0千赫
|
时间-产量下降
15 ns
|
时间-产量上升
17 ns
|
|
驱动方式
Halfbridge, Direct-Independent
|
|
|
主要/外围
N/A
|
|
|
并联支持吗?
没有
|
|
||
|
数据表
PDF보기
|
IGBT电压等级
1700 V
|
通道数
2
|
保形涂层吗?
没有
|
支持的模块类型
IGBT, n通道MOSFET
|
|
|
逻辑输入电压
5
|
保护功能
基本主动夹紧,短路,软停机,UVLO(秒侧),UVLO(prii侧)
|
技术
SCALE-2 +
|
接口类型
电
|
支持拓扑bob电竞体育平台app
2级电压源,3级np -箝位- 1型,3级np -箝位- 2型,多级np -箝位
|
供电电压(类型)
15 V
|
栅极接通电压
+ 15.0 V
|
栅极关断电压
——9.4 V
|
功率-输出/通道(最大)
1.2 W
|
栅极峰值电流(最大)
+ 8
|
隔离型
钢筋
|
隔离技术
电
|
最大开关频率
50.0千赫
|
时间-产量下降
15 ns
|
时间-产量上升
17 ns
|
UL兼容
兼容的
|
驱动方式
Halfbridge, Direct-Independent
|
|
|
主要/外围
N/A
|
模块的住房
任何
|
选择信息
保形涂层版本2SC0108T2G0C-17
|
并联支持吗?
没有
|
|
||
|
数据表
PDF보기
|
IGBT电压等级
1700 V
|
通道数
2
|
保形涂层吗?
是的
|
支持的模块类型
IGBT, n通道MOSFET
|
|
|
逻辑输入电压
5
|
保护功能
基本主动夹紧,短路,软停机,UVLO(秒侧),UVLO(prii侧)
|
技术
SCALE-2 +
|
接口类型
电
|
支持拓扑bob电竞体育平台app
2级电压源,3级np -箝位- 1型,3级np -箝位- 2型,多级np -箝位
|
供电电压(类型)
15 V
|
栅极接通电压
+ 15.0 V
|
栅极关断电压
——9.4 V
|
功率-输出/通道(最大)
1.2 W
|
栅极峰值电流(最大)
+ 8
|
隔离型
钢筋
|
隔离技术
电
|
最大开关频率
50.0千赫
|
时间-产量下降
15 ns
|
时间-产量上升
17 ns
|
|
驱动方式
Halfbridge, Direct-Independent
|
|
|
主要/外围
N/A
|
|
|
并联支持吗?
没有
|
|
||
|
数据表
PDF보기
|
IGBT电压等级
1700 V
|
通道数
2
|
保形涂层吗?
没有
|
支持的模块类型
IGBT, n通道MOSFET
|
|
|
逻辑输入电压
5
|
保护功能
基本主动夹紧,短路,软停机,UVLO(秒侧),UVLO(prii侧)
|
技术
SCALE-2 +
|
接口类型
电
|
支持拓扑bob电竞体育平台app
2级电压源,3级np -箝位- 1型,3级np -箝位- 2型,多级np -箝位
|
供电电压(类型)
15 V
|
栅极接通电压
+ 15.0 V
|
栅极关断电压
——9.4 V
|
功率-输出/通道(最大)
1.2 W
|
栅极峰值电流(最大)
+ 8
|
隔离型
钢筋
|
隔离技术
电
|
最大开关频率
50.0千赫
|
时间-产量下降
15 ns
|
时间-产量上升
17 ns
|
UL兼容
兼容的
|
驱动方式
Halfbridge, Direct-Independent
|
|
|
主要/外围
N/A
|
模块的住房
任何
|
选择信息
保形涂层版本2SC0108T2H0C-17
|
并联支持吗?
没有
|
|
||
|
数据表
PDF보기
|
IGBT电压等级
1700 V
|
通道数
2
|
保形涂层吗?
是的
|
支持的模块类型
IGBT, n通道MOSFET
|
|
|
逻辑输入电压
5
|
保护功能
基本主动夹紧,短路,软停机,UVLO(秒侧),UVLO(prii侧)
|
技术
SCALE-2 +
|
接口类型
电
|
支持拓扑bob电竞体育平台app
2级电压源,3级np -箝位- 1型,3级np -箝位- 2型,多级np -箝位
|
供电电压(类型)
15 V
|
栅极接通电压
+ 15.0 V
|
栅极关断电压
——9.4 V
|
功率-输出/通道(最大)
1.2 W
|
栅极峰值电流(最大)
+ 8
|
隔离型
钢筋
|
隔离技术
电
|
最大开关频率
50.0千赫
|
时间-产量下降
15 ns
|
时间-产量上升
17 ns
|
|
驱动方式
Halfbridge, Direct-Independent
|
|
|
主要/外围
N/A
|
|
|
并联支持吗?
没有
|
|
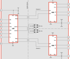
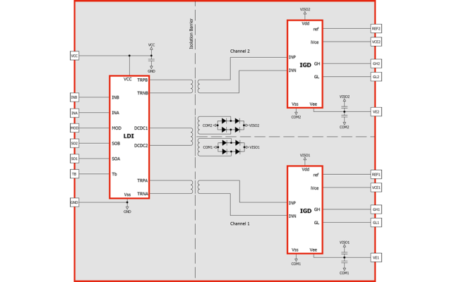
2SC0108T是一款新的SCALE-2双驱动核心,它结合了紧凑的设计、高可靠性和广泛的适用性。2SC0108T驱动所有常用IGBT模块最高可达600 A / 1200v或450 A / 1700 V。嵌入式并联允许简单的逆变器设计,即使在更高的功率额定值。还支持多级拓扑。bob电竞体育平台app
技术优势
2SC0108T是我们用于工业应用的最紧凑的驱动核心,占地面积仅为45 x 34.3 mm,外形为16 mm。BOB体育平台下载与传统解决方案相比,SCALE-2芯片组减少了高达80%的组件数量,从而显著提高了可靠性并降低了成本。
2SC0108T结合了一个完整的双通道驱动核心和驱动所需的所有组件,如隔离DC/DC变换器,短路保护以及电源电压监测。两个输出通道中的每一个都与初级侧和另一个次级通道电隔离。
每个通道的输出电流为8 A和1 W驱动电源,使2SC0108T成为中小功率应用中普遍使用的合适选择。BOB体育平台下载驱动器提供+ 15v / - 8v的栅极电压波动。无论输出功率如何,开机电压均可调节至稳定的15v。
优异的EMC性能使得即使在苛刻的工业应用中也能安全可靠地运行。BOB体育平台下载
驱动并联igbt
该驱动程序允许任意数量的IGBT模块与单个驱动程序直接并行连接。这一全新的开创性概念首次实现了使用离散模块和并行连接igbt构建转换器系列,而无需任何显著的额外开发工作。
无与伦比的紧凑性,广泛的适用性和高可靠性-与传统驱动程序相比,减少85%的组件。本产品备有保形涂层。
