驱动sic mosfet电源电源开关
SIC MOSFET电源系列系列系列系列系列闸极驱动器电源电源
(sic)mosfet大大提高大切换切换切换,在效能,在的,提供,提供的,提供提供提供提供较较高高的的短路,这这需要在不同架构架构支援变化的电压的闸极驱动器提出了。。挑战挑战
比例尺sic mosfet闸极闸极
pi的sic1182k scale-idriver ic ic ic ic sic mosfet闸极sic mosfet的的范围。。
比例2,秤-2+闸极驱动器与与与与与与闸极闸极闸极
除了驱动传统基于基于的的(IGBT和MOSFET)之外,比例-2 scale-2+-2+ safor-2+ scale-Idriver sabor-idriver闸极ic驱动器
可用的驱动器产品
- SIC1182K-Sic Moseft闸极驱动器
- 比例尺- 闸极驱动器
- 2SC0115T-12-scale-2+驱动器驱动器
- 2SC0435T-17-scale-2+驱动器驱动器
- 1SC2060P-17-scale-2闸极铁芯铁芯,采用平面变压器变压器
- 2SC0650P-17-scale-2闸极铁芯铁芯,采用平面变压器变压器
- 2SC0535T-17-scale-2驱动器驱动器铁芯
- 2SC0635T-45-scale-2驱动器驱动器铁芯
sic对闸驱动器了挑战挑战挑战
sic mosfet开关不同不同不同开关开关闸极开启关闭电压等级有不同不同的的的要求要求。。。例如例如例如例如例如例如的的不同有有有有有有有有有有有有有有有有等级等级有有等级等级等级等级等级等级等级等级6 v的运作此外,一些装置开启电压,而,而需要需要稳定稳定的
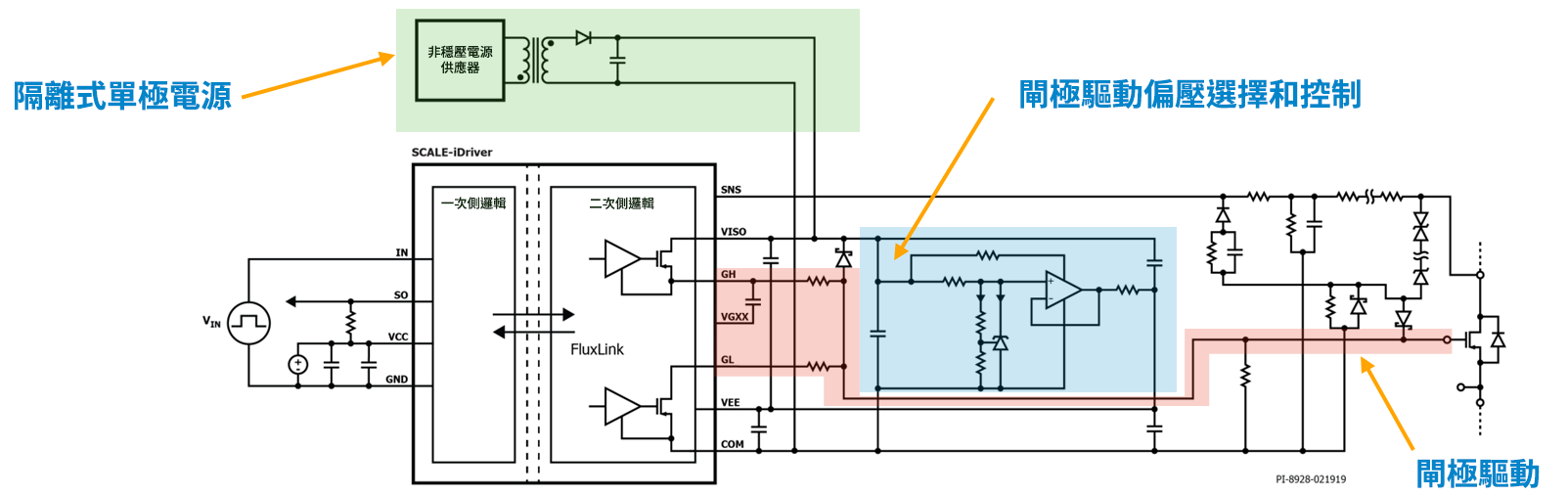
sake闸极调整闸极闸极闸极闸极闸极,可以可以与开启和关闭等级相关的的正正正负负电压轨压轨的电压分配分配分配分配控制(VEE稳压器)应用说明说明an-1601。

图2.scale-idriver透过透过驱动满足v v vGSsic mosfet

3. 3.用标示的vex / vee接脚接脚固定的的的的闸极闸极闸极
siC siC mosfet?用用用用闸极驱动器
|
|
SIC1182K的全面功能功能
|
|
