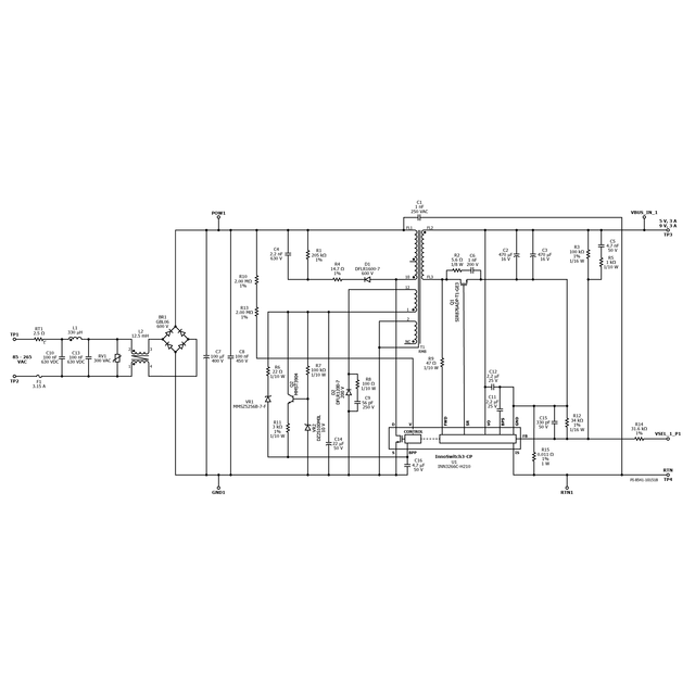
DER-551-54 W使用Innoswitch3-CP和Cypress CCGA控制器双USB PD充电器 54 W使用两个Innoswitch3-CP(INN3266C-H210)切换器ICS和CYPRESS CCGA(CYPD4225)控制器的54 W双USB PD充电器 PDF보기 PDF다운로드 애플리케이션 제품 Innoswitch3-CP
명세서 设计类型 设计示例报告(DER) 토폴로지 飞回来 VOUT 1 5.00 v VOUT 2 9.00 v vin(最小) 85 VIN(最大) 265 P(noload) 200.00兆瓦 CV/CC CV/CC 效率 88.00% 절연? 是的 输出数量 2 출력전력 54.00 w OVP? 是的 相关零件 INN3266C-H210 Gerber文件 der-551_gerber.zip