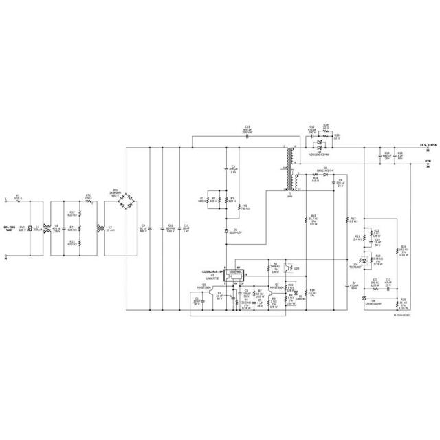
명세서 设计类型 设计示例报告(DER) 토폴로지 飞回来 VOUT 1 19.00 v vin(最小) 90 VIN(最大) 265 P(noload) 100.00兆瓦 CV/CC 简历 效率 88.00% 절연? 是的 输出数量 1 출력전력 45.00 w OVP? 是的 PFC? 不 Gerber文件 rd453gerber.zip