|
产品
|
产品
|
数据手册
|
igbt电压等级
|
门极导通电压
|
门极关断电压
|
最大开关频率
|
门极峰值电流(最大)
|
支持的模块
|
支持的模块
|
igbt制造商
|
通道数
|
三防漆?
|
逻辑输入电压
|
保护功能
|
技术
|
接口类型
|
支持的拓扑
|
电源电压 (典型)
|
输出功率/通道-最大
|
隔离类型
|
隔离技术
|
時間 - 輸出下降
|
時間 - 輸出上升
|
驱动模式
|
igbt的连接类型
|
|---|---|---|---|---|---|---|---|---|---|---|---|---|---|---|---|---|---|---|---|---|---|---|---|---|---|
|
数据表
查看PDF
|
IGBT电压等级
1200 V
|
门刺激电压
+ 15.0 V
|
门断开电压
——9.9 V
|
|
栅极峰值电流(最大)
+ 20
|
支持模块类型
IGBT
|
|
|
数量的渠道
2
|
保形涂层吗?
没有
|
|
保护功能
Adv有源夹紧,过压,短路,UVLO(秒侧),UVLO(prio侧)
|
技术
SCALE-2
|
接口类型
光纤
|
支持拓扑bob电竞体育平台app
2级电压源,3级np箝位- 1型,3级np箝位- 2型,多级np箝位
|
电源电压(Typ)
15 V
|
功率-输出/通道(最大)
3.0 W
|
隔离型
钢筋
|
隔离技术
电
|
时间-产出下降
25 ns
|
时间-产量上升
7 ns
|
驱动方式
Halfbridge, Direct-Independent
|
连接类型到IGBT
直接
|
||
|
数据表
查看PDF
|
IGBT电压等级
1700 V
|
门刺激电压
+ 15.0 V
|
门断开电压
——9.9 V
|
|
栅极峰值电流(最大)
+ 20
|
支持模块类型
IGBT
|
|
|
数量的渠道
2
|
保形涂层吗?
没有
|
|
保护功能
Adv有源夹紧,过压,短路,UVLO(秒侧),UVLO(prio侧)
|
技术
SCALE-2
|
接口类型
光纤
|
支持拓扑bob电竞体育平台app
2级电压源,3级np箝位- 1型,3级np箝位- 2型,多级np箝位
|
电源电压(Typ)
15 V
|
功率-输出/通道(最大)
3.0 W
|
隔离型
钢筋
|
隔离技术
电
|
时间-产出下降
25 ns
|
时间-产量上升
7 ns
|
驱动方式
Halfbridge, Direct-Independent
|
连接类型到IGBT
直接
|
||
|
数据表
查看PDF
|
IGBT电压等级
1700 V
|
门刺激电压
+ 15.0 V
|
门断开电压
——9.9 V
|
马克斯切换频率
14.5千赫
|
栅极峰值电流(最大)
+ 20
|
支持模块类型
IGBT
|
支持模块(年代)
2 mbi650vxa - 170 e - 50
|
IGBT制造商
富士
|
数量的渠道
2
|
保形涂层吗?
没有
|
|
保护功能
Adv有源夹紧,过压,短路,UVLO(秒侧),UVLO(prio侧)
|
技术
SCALE-2
|
接口类型
光纤
|
支持拓扑bob电竞体育平台app
2级电压源,3级np箝位- 1型,3级np箝位- 2型,多级np箝位
|
电源电压(Typ)
15 V
|
功率-输出/通道(最大)
3.0 W
|
隔离型
钢筋
|
隔离技术
电
|
时间-产出下降
25 ns
|
时间-产量上升
7 ns
|
驱动方式
Halfbridge, Direct-Independent
|
连接类型到IGBT
直接
|
||
|
数据表
查看PDF
|
IGBT电压等级
1200 V
|
门刺激电压
+ 15.0 V
|
门断开电压
——9.9 V
|
马克斯切换频率
20.0千赫
|
栅极峰值电流(最大)
+ 20
|
支持模块类型
IGBT
|
支持模块(年代)
FF1200R12IE5
|
IGBT制造商
英飞凌
|
数量的渠道
2
|
保形涂层吗?
没有
|
|
保护功能
Adv有源夹紧,过压,短路,UVLO(秒侧),UVLO(prio侧)
|
技术
SCALE-2
|
接口类型
光纤
|
支持拓扑bob电竞体育平台app
2级电压源,3级np箝位- 1型,3级np箝位- 2型,多级np箝位
|
电源电压(Typ)
15 V
|
功率-输出/通道(最大)
3.0 W
|
隔离型
钢筋
|
隔离技术
电
|
时间-产出下降
25 ns
|
时间-产量上升
7 ns
|
驱动方式
Halfbridge, Direct-Independent
|
连接类型到IGBT
直接
|
||
|
数据表
查看PDF
|
IGBT电压等级
1700 V
|
门刺激电压
+ 15.0 V
|
门断开电压
——9.9 V
|
马克斯切换频率
14.5千赫
|
栅极峰值电流(最大)
+ 20
|
支持模块类型
IGBT
|
支持模块(年代)
2 mbi650vxa - 170 e - 50
|
IGBT制造商
富士
|
数量的渠道
2
|
保形涂层吗?
是的
|
|
保护功能
Adv有源夹紧,过压,短路,UVLO(秒侧),UVLO(prio侧)
|
技术
SCALE-2
|
接口类型
光纤
|
支持拓扑bob电竞体育平台app
2级电压源,3级np箝位- 1型,3级np箝位- 2型,多级np箝位
|
电源电压(Typ)
15 V
|
功率-输出/通道(最大)
3.0 W
|
隔离型
钢筋
|
隔离技术
电
|
时间-产出下降
25 ns
|
时间-产量上升
7 ns
|
驱动方式
Halfbridge, Direct-Independent
|
连接类型到IGBT
直接
|
||
|
数据表
查看PDF
|
IGBT电压等级
1200 V
|
门刺激电压
+ 15.0 V
|
门断开电压
——9.9 V
|
马克斯切换频率
20.0千赫
|
栅极峰值电流(最大)
+ 20
|
支持模块类型
IGBT
|
支持模块(年代)
FF1200R12IE5
|
IGBT制造商
英飞凌
|
数量的渠道
2
|
保形涂层吗?
是的
|
|
保护功能
Adv有源夹紧,过压,短路,UVLO(秒侧),UVLO(prio侧)
|
技术
SCALE-2
|
接口类型
光纤
|
支持拓扑bob电竞体育平台app
2级电压源,3级np箝位- 1型,3级np箝位- 2型,多级np箝位
|
电源电压(Typ)
15 V
|
功率-输出/通道(最大)
3.0 W
|
隔离型
钢筋
|
隔离技术
电
|
时间-产出下降
25 ns
|
时间-产量上升
7 ns
|
驱动方式
Halfbridge, Direct-Independent
|
连接类型到IGBT
直接
|
||
|
数据表
查看PDF
|
IGBT电压等级
1200 V
|
门刺激电压
+ 15.0 V
|
门断开电压
——10.4 V
|
|
栅极峰值电流(最大)
+ 20
|
支持模块类型
IGBT
|
|
|
数量的渠道
2
|
保形涂层吗?
没有
|
逻辑输入电压
5
|
保护功能
Adv有源夹紧,过压,短路,UVLO(秒侧),UVLO(prio侧)
|
技术
SCALE-2
|
接口类型
电
|
支持拓扑bob电竞体育平台app
2级电压源,3级np箝位- 1型,3级np箝位- 2型,多级np箝位
|
电源电压(Typ)
15 V
|
功率-输出/通道(最大)
3.0 W
|
隔离型
钢筋
|
隔离技术
电
|
时间-产出下降
25 ns
|
时间-产量上升
7 ns
|
驱动方式
Halfbridge, Direct-Independent
|
连接类型到IGBT
直接
|
||
|
数据表
查看PDF
|
IGBT电压等级
1700 V
|
门刺激电压
+ 15.0 V
|
门断开电压
——10.4 V
|
|
栅极峰值电流(最大)
+ 20
|
支持模块类型
IGBT
|
|
|
数量的渠道
2
|
保形涂层吗?
没有
|
逻辑输入电压
5
|
保护功能
Adv有源夹紧,过压,短路,UVLO(秒侧),UVLO(prio侧)
|
技术
SCALE-2
|
接口类型
电
|
支持拓扑bob电竞体育平台app
2级电压源,3级np箝位- 1型,3级np箝位- 2型,多级np箝位
|
电源电压(Typ)
15 V
|
功率-输出/通道(最大)
3.0 W
|
隔离型
钢筋
|
隔离技术
电
|
时间-产出下降
25 ns
|
时间-产量上升
7 ns
|
驱动方式
Halfbridge, Direct-Independent
|
连接类型到IGBT
直接
|
||
|
数据表
查看PDF
|
IGBT电压等级
1700 V
|
门刺激电压
+ 15.0 V
|
门断开电压
——10.4 V
|
马克斯切换频率
11.0千赫
|
栅极峰值电流(最大)
+ 20
|
支持模块类型
IGBT
|
支持模块(年代)
2 mbi1000vxb - 170 e - 50
|
IGBT制造商
富士
|
数量的渠道
2
|
保形涂层吗?
没有
|
逻辑输入电压
5
|
保护功能
Adv有源夹紧,过压,短路,UVLO(秒侧),UVLO(prio侧)
|
技术
SCALE-2
|
接口类型
电
|
支持拓扑bob电竞体育平台app
2级电压源,3级np箝位- 1型,3级np箝位- 2型,多级np箝位
|
电源电压(Typ)
15 V
|
功率-输出/通道(最大)
3.0 W
|
隔离型
钢筋
|
隔离技术
电
|
时间-产出下降
25 ns
|
时间-产量上升
7 ns
|
驱动方式
Halfbridge, Direct-Independent
|
连接类型到IGBT
直接
|
||
|
数据表
查看PDF
|
IGBT电压等级
1200 V
|
门刺激电压
+ 15.0 V
|
门断开电压
——10.4 V
|
马克斯切换频率
8.0千赫
|
栅极峰值电流(最大)
+ 20
|
支持模块类型
IGBT
|
支持模块(年代)
2 mbi1400vxb - 120 e - 50
|
IGBT制造商
富士
|
数量的渠道
2
|
保形涂层吗?
没有
|
逻辑输入电压
5
|
保护功能
Adv有源夹紧,过压,短路,UVLO(秒侧),UVLO(prio侧)
|
技术
SCALE-2
|
接口类型
电
|
支持拓扑bob电竞体育平台app
2级电压源,3级np箝位- 1型,3级np箝位- 2型,多级np箝位
|
电源电压(Typ)
15 V
|
功率-输出/通道(最大)
3.0 W
|
隔离型
钢筋
|
隔离技术
电
|
时间-产出下降
25 ns
|
时间-产量上升
7 ns
|
驱动方式
Halfbridge, Direct-Independent
|
连接类型到IGBT
直接
|
||
|
数据表
查看PDF
|
IGBT电压等级
1200 V
|
门刺激电压
+ 15.0 V
|
门断开电压
——10.4 V
|
马克斯切换频率
8.0千赫
|
栅极峰值电流(最大)
+ 20
|
支持模块类型
IGBT
|
支持模块(年代)
2 mbi1400vxb - 120 p - 50
|
IGBT制造商
富士
|
数量的渠道
2
|
保形涂层吗?
没有
|
逻辑输入电压
5
|
保护功能
Adv有源夹紧,过压,短路,UVLO(秒侧),UVLO(prio侧)
|
技术
SCALE-2
|
接口类型
电
|
支持拓扑bob电竞体育平台app
2级电压源,3级np箝位- 1型,3级np箝位- 2型,多级np箝位
|
电源电压(Typ)
15 V
|
功率-输出/通道(最大)
3.0 W
|
隔离型
钢筋
|
隔离技术
电
|
时间-产出下降
25 ns
|
时间-产量上升
7 ns
|
驱动方式
Halfbridge, Direct-Independent
|
连接类型到IGBT
直接
|
||
|
数据表
查看PDF
|
IGBT电压等级
1700 V
|
门刺激电压
+ 15.0 V
|
门断开电压
——10.4 V
|
马克斯切换频率
8.0千赫
|
栅极峰值电流(最大)
+ 20
|
支持模块类型
IGBT
|
支持模块(年代)
2 mbi1400vxb - 170 e - 50
|
IGBT制造商
富士
|
数量的渠道
2
|
保形涂层吗?
没有
|
逻辑输入电压
5
|
保护功能
Adv有源夹紧,过压,短路,UVLO(秒侧),UVLO(prio侧)
|
技术
SCALE-2
|
接口类型
电
|
支持拓扑bob电竞体育平台app
2级电压源,3级np箝位- 1型,3级np箝位- 2型,多级np箝位
|
电源电压(Typ)
15 V
|
功率-输出/通道(最大)
3.0 W
|
隔离型
钢筋
|
隔离技术
电
|
时间-产出下降
25 ns
|
时间-产量上升
7 ns
|
驱动方式
Halfbridge, Direct-Independent
|
连接类型到IGBT
直接
|
||
|
数据表
查看PDF
|
IGBT电压等级
1700 V
|
门刺激电压
+ 15.0 V
|
门断开电压
——10.4 V
|
马克斯切换频率
9.0千赫
|
栅极峰值电流(最大)
+ 20
|
支持模块类型
IGBT
|
支持模块(年代)
2 mbi1400vxb - 170 p - 50
|
IGBT制造商
富士
|
数量的渠道
2
|
保形涂层吗?
没有
|
逻辑输入电压
5
|
保护功能
Adv有源夹紧,过压,短路,UVLO(秒侧),UVLO(prio侧)
|
技术
SCALE-2
|
接口类型
电
|
支持拓扑bob电竞体育平台app
2级电压源,3级np箝位- 1型,3级np箝位- 2型,多级np箝位
|
电源电压(Typ)
15 V
|
功率-输出/通道(最大)
3.0 W
|
隔离型
钢筋
|
隔离技术
电
|
时间-产出下降
25 ns
|
时间-产量上升
7 ns
|
驱动方式
Halfbridge, Direct-Independent
|
连接类型到IGBT
直接
|
||
|
数据表
查看PDF
|
IGBT电压等级
1700 V
|
门刺激电压
+ 15.0 V
|
门断开电压
——10.4 V
|
马克斯切换频率
9.0千赫
|
栅极峰值电流(最大)
+ 20
|
支持模块类型
IGBT
|
支持模块(年代)
2 mbi1800xxf170-50
|
IGBT制造商
富士
|
数量的渠道
2
|
保形涂层吗?
没有
|
逻辑输入电压
5
|
保护功能
Adv有源夹紧,过压,短路,UVLO(秒侧),UVLO(prio侧)
|
技术
SCALE-2
|
接口类型
电
|
支持拓扑bob电竞体育平台app
2级电压源,3级np箝位- 1型,3级np箝位- 2型,多级np箝位
|
电源电压(Typ)
15 V
|
功率-输出/通道(最大)
3.0 W
|
隔离型
钢筋
|
隔离技术
电
|
时间-产出下降
25 ns
|
时间-产量上升
7 ns
|
驱动方式
Halfbridge, Direct-Independent
|
连接类型到IGBT
直接
|
||
|
数据表
查看PDF
|
IGBT电压等级
1700 V
|
门刺激电压
+ 15.0 V
|
门断开电压
——10.4 V
|
马克斯切换频率
14.5千赫
|
栅极峰值电流(最大)
+ 20
|
支持模块类型
IGBT
|
支持模块(年代)
2 mbi650vxa - 170 e - 50
|
IGBT制造商
富士
|
数量的渠道
2
|
保形涂层吗?
没有
|
逻辑输入电压
5
|
保护功能
Adv有源夹紧,过压,短路,UVLO(秒侧),UVLO(prio侧)
|
技术
SCALE-2
|
接口类型
电
|
支持拓扑bob电竞体育平台app
2级电压源,3级np箝位- 1型,3级np箝位- 2型,多级np箝位
|
电源电压(Typ)
15 V
|
功率-输出/通道(最大)
3.0 W
|
隔离型
钢筋
|
隔离技术
电
|
时间-产出下降
25 ns
|
时间-产量上升
7 ns
|
驱动方式
Halfbridge, Direct-Independent
|
连接类型到IGBT
直接
|
||
|
数据表
查看PDF
|
IGBT电压等级
1200 V
|
门刺激电压
+ 15.0 V
|
门断开电压
——10.4 V
|
马克斯切换频率
12.0千赫
|
栅极峰值电流(最大)
+ 20
|
支持模块类型
IGBT
|
支持模块(年代)
2 mbi900vxa - 120 e - 50
|
IGBT制造商
富士
|
数量的渠道
2
|
保形涂层吗?
没有
|
逻辑输入电压
5
|
保护功能
Adv有源夹紧,过压,短路,UVLO(秒侧),UVLO(prio侧)
|
技术
SCALE-2
|
接口类型
电
|
支持拓扑bob电竞体育平台app
2级电压源,3级np箝位- 1型,3级np箝位- 2型,多级np箝位
|
电源电压(Typ)
15 V
|
功率-输出/通道(最大)
3.0 W
|
隔离型
钢筋
|
隔离技术
电
|
时间-产出下降
25 ns
|
时间-产量上升
7 ns
|
驱动方式
Halfbridge, Direct-Independent
|
连接类型到IGBT
直接
|
||
|
数据表
查看PDF
|
IGBT电压等级
1200 V
|
门刺激电压
+ 15.0 V
|
门断开电压
——10.4 V
|
马克斯切换频率
12.0千赫
|
栅极峰值电流(最大)
+ 20
|
支持模块类型
IGBT
|
支持模块(年代)
2 mbi900vxa - 120 p - 50
|
IGBT制造商
富士
|
数量的渠道
2
|
保形涂层吗?
没有
|
逻辑输入电压
5
|
保护功能
Adv有源夹紧,过压,短路,UVLO(秒侧),UVLO(prio侧)
|
技术
SCALE-2
|
接口类型
电
|
支持拓扑bob电竞体育平台app
2级电压源,3级np箝位- 1型,3级np箝位- 2型,多级np箝位
|
电源电压(Typ)
15 V
|
功率-输出/通道(最大)
3.0 W
|
隔离型
钢筋
|
隔离技术
电
|
时间-产出下降
25 ns
|
时间-产量上升
7 ns
|
驱动方式
Halfbridge, Direct-Independent
|
连接类型到IGBT
直接
|
||
|
数据表
查看PDF
|
IGBT电压等级
1700 V
|
门刺激电压
+ 15.0 V
|
门断开电压
——10.4 V
|
马克斯切换频率
15.0千赫
|
栅极峰值电流(最大)
+ 20
|
支持模块类型
IGBT
|
支持模块(年代)
DP1000B1700T103715
|
IGBT制造商
丹佛斯
|
数量的渠道
2
|
保形涂层吗?
没有
|
逻辑输入电压
5
|
保护功能
Adv有源夹紧,过压,短路,UVLO(秒侧),UVLO(prio侧)
|
技术
SCALE-2
|
接口类型
电
|
支持拓扑bob电竞体育平台app
2级电压源,3级np箝位- 1型,3级np箝位- 2型,多级np箝位
|
电源电压(Typ)
15 V
|
功率-输出/通道(最大)
3.0 W
|
隔离型
钢筋
|
隔离技术
电
|
时间-产出下降
25 ns
|
时间-产量上升
7 ns
|
驱动方式
Halfbridge, Direct-Independent
|
连接类型到IGBT
直接
|
||
|
数据表
查看PDF
|
IGBT电压等级
1200 V
|
门刺激电压
+ 15.0 V
|
门断开电压
——10.4 V
|
马克斯切换频率
16.0千赫
|
栅极峰值电流(最大)
+ 20
|
支持模块类型
IGBT
|
支持模块(年代)
DP1400B1200T103714
|
IGBT制造商
丹佛斯
|
数量的渠道
2
|
保形涂层吗?
没有
|
逻辑输入电压
5
|
保护功能
Adv有源夹紧,过压,短路,UVLO(秒侧),UVLO(prio侧)
|
技术
SCALE-2
|
接口类型
电
|
支持拓扑bob电竞体育平台app
2级电压源,3级np箝位- 1型,3级np箝位- 2型,多级np箝位
|
电源电压(Typ)
15 V
|
功率-输出/通道(最大)
3.0 W
|
隔离型
钢筋
|
隔离技术
电
|
时间-产出下降
25 ns
|
时间-产量上升
7 ns
|
驱动方式
Halfbridge, Direct-Independent
|
连接类型到IGBT
直接
|
||
|
数据表
查看PDF
|
IGBT电压等级
1700 V
|
门刺激电压
+ 15.0 V
|
门断开电压
——10.4 V
|
马克斯切换频率
9.0千赫
|
栅极峰值电流(最大)
+ 20
|
支持模块类型
IGBT
|
支持模块(年代)
DP1400B1700TU103726
|
IGBT制造商
丹佛斯
|
数量的渠道
2
|
保形涂层吗?
没有
|
逻辑输入电压
5
|
保护功能
Adv有源夹紧,过压,短路,UVLO(秒侧),UVLO(prio侧)
|
技术
SCALE-2
|
接口类型
电
|
支持拓扑bob电竞体育平台app
2级电压源,3级np箝位- 1型,3级np箝位- 2型,多级np箝位
|
电源电压(Typ)
15 V
|
功率-输出/通道(最大)
3.0 W
|
隔离型
钢筋
|
隔离技术
电
|
时间-产出下降
25 ns
|
时间-产量上升
7 ns
|
驱动方式
Halfbridge, Direct-Independent
|
连接类型到IGBT
直接
|
||
|
数据表
查看PDF
|
IGBT电压等级
1700 V
|
门刺激电压
+ 15.0 V
|
门断开电压
——10.4 V
|
马克斯切换频率
13.0千赫
|
栅极峰值电流(最大)
+ 20
|
支持模块类型
IGBT
|
支持模块(年代)
FF1000R17IE4
|
IGBT制造商
英飞凌
|
数量的渠道
2
|
保形涂层吗?
没有
|
逻辑输入电压
5
|
保护功能
Adv有源夹紧,过压,短路,UVLO(秒侧),UVLO(prio侧)
|
技术
SCALE-2
|
接口类型
电
|
支持拓扑bob电竞体育平台app
2级电压源,3级np箝位- 1型,3级np箝位- 2型,多级np箝位
|
电源电压(Typ)
15 V
|
功率-输出/通道(最大)
3.0 W
|
隔离型
钢筋
|
隔离技术
电
|
时间-产出下降
25 ns
|
时间-产量上升
7 ns
|
驱动方式
Halfbridge, Direct-Independent
|
连接类型到IGBT
直接
|
||
|
数据表
查看PDF
|
IGBT电压等级
1700 V
|
门刺激电压
+ 15.0 V
|
门断开电压
——10.4 V
|
马克斯切换频率
13.0千赫
|
栅极峰值电流(最大)
+ 20
|
支持模块类型
IGBT
|
支持模块(年代)
FF1000R17IE4D_B2
|
IGBT制造商
英飞凌
|
数量的渠道
2
|
保形涂层吗?
没有
|
逻辑输入电压
5
|
保护功能
Adv有源夹紧,过压,短路,UVLO(秒侧),UVLO(prio侧)
|
技术
SCALE-2
|
接口类型
电
|
支持拓扑bob电竞体育平台app
2级电压源,3级np箝位- 1型,3级np箝位- 2型,多级np箝位
|
电源电压(Typ)
15 V
|
功率-输出/通道(最大)
3.0 W
|
隔离型
钢筋
|
隔离技术
电
|
时间-产出下降
25 ns
|
时间-产量上升
7 ns
|
驱动方式
Halfbridge, Direct-Independent
|
连接类型到IGBT
直接
|
||
|
数据表
查看PDF
|
IGBT电压等级
1200 V
|
门刺激电压
+ 15.0 V
|
门断开电压
——10.4 V
|
马克斯切换频率
20.0千赫
|
栅极峰值电流(最大)
+ 20
|
支持模块类型
IGBT
|
支持模块(年代)
FF1200R12IE5
|
IGBT制造商
英飞凌
|
数量的渠道
2
|
保形涂层吗?
没有
|
逻辑输入电压
5
|
保护功能
Adv有源夹紧,过压,短路,UVLO(秒侧),UVLO(prio侧)
|
技术
SCALE-2
|
接口类型
电
|
支持拓扑bob电竞体育平台app
2级电压源,3级np箝位- 1型,3级np箝位- 2型,多级np箝位
|
电源电压(Typ)
15 V
|
功率-输出/通道(最大)
3.0 W
|
隔离型
钢筋
|
隔离技术
电
|
时间-产出下降
25 ns
|
时间-产量上升
7 ns
|
驱动方式
Halfbridge, Direct-Independent
|
连接类型到IGBT
直接
|
||
|
数据表
查看PDF
|
IGBT电压等级
1200 V
|
门刺激电压
+ 15.0 V
|
门断开电压
——10.4 V
|
马克斯切换频率
14.0千赫
|
栅极峰值电流(最大)
+ 20
|
支持模块类型
IGBT
|
支持模块(年代)
FF1400R12IP4
|
IGBT制造商
英飞凌
|
数量的渠道
2
|
保形涂层吗?
没有
|
逻辑输入电压
5
|
保护功能
Adv有源夹紧,过压,短路,UVLO(秒侧),UVLO(prio侧)
|
技术
SCALE-2
|
接口类型
电
|
支持拓扑bob电竞体育平台app
2级电压源,3级np箝位- 1型,3级np箝位- 2型,多级np箝位
|
电源电压(Typ)
15 V
|
功率-输出/通道(最大)
3.0 W
|
隔离型
钢筋
|
隔离技术
电
|
时间-产出下降
25 ns
|
时间-产量上升
7 ns
|
驱动方式
Halfbridge, Direct-Independent
|
连接类型到IGBT
直接
|
||
|
数据表
查看PDF
|
IGBT电压等级
1700 V
|
门刺激电压
+ 15.0 V
|
门断开电压
——10.4 V
|
马克斯切换频率
10.0千赫
|
栅极峰值电流(最大)
+ 20
|
支持模块类型
IGBT
|
支持模块(年代)
FF1400R17IP4
|
IGBT制造商
英飞凌
|
数量的渠道
2
|
保形涂层吗?
没有
|
逻辑输入电压
5
|
保护功能
Adv有源夹紧,过压,短路,UVLO(秒侧),UVLO(prio侧)
|
技术
SCALE-2
|
接口类型
电
|
支持拓扑bob电竞体育平台app
2级电压源,3级np箝位- 1型,3级np箝位- 2型,多级np箝位
|
电源电压(Typ)
15 V
|
功率-输出/通道(最大)
3.0 W
|
隔离型
钢筋
|
隔离技术
电
|
时间-产出下降
25 ns
|
时间-产量上升
7 ns
|
驱动方式
Halfbridge, Direct-Independent
|
连接类型到IGBT
直接
|
||
|
数据表
查看PDF
|
IGBT电压等级
1200 V
|
门刺激电压
+ 15.0 V
|
门断开电压
——10.4 V
|
马克斯切换频率
37.0千赫
|
栅极峰值电流(最大)
+ 20
|
支持模块类型
IGBT
|
支持模块(年代)
FF450R12IE4
|
IGBT制造商
英飞凌
|
数量的渠道
2
|
保形涂层吗?
没有
|
逻辑输入电压
5
|
保护功能
Adv有源夹紧,过压,短路,UVLO(秒侧),UVLO(prio侧)
|
技术
SCALE-2
|
接口类型
电
|
支持拓扑bob电竞体育平台app
2级电压源,3级np箝位- 1型,3级np箝位- 2型,多级np箝位
|
电源电压(Typ)
15 V
|
功率-输出/通道(最大)
3.0 W
|
隔离型
钢筋
|
隔离技术
电
|
时间-产出下降
25 ns
|
时间-产量上升
7 ns
|
驱动方式
Halfbridge, Direct-Independent
|
连接类型到IGBT
直接
|
||
|
数据表
查看PDF
|
IGBT电压等级
1700 V
|
门刺激电压
+ 15.0 V
|
门断开电压
——10.4 V
|
马克斯切换频率
28.0千赫
|
栅极峰值电流(最大)
+ 20
|
支持模块类型
IGBT
|
支持模块(年代)
FF450R17IE4
|
IGBT制造商
英飞凌
|
数量的渠道
2
|
保形涂层吗?
没有
|
逻辑输入电压
5
|
保护功能
Adv有源夹紧,过压,短路,UVLO(秒侧),UVLO(prio侧)
|
技术
SCALE-2
|
接口类型
电
|
支持拓扑bob电竞体育平台app
2级电压源,3级np箝位- 1型,3级np箝位- 2型,多级np箝位
|
电源电压(Typ)
15 V
|
功率-输出/通道(最大)
3.0 W
|
隔离型
钢筋
|
隔离技术
电
|
时间-产出下降
25 ns
|
时间-产量上升
7 ns
|
驱动方式
Halfbridge, Direct-Independent
|
连接类型到IGBT
直接
|
||
|
数据表
查看PDF
|
IGBT电压等级
1200 V
|
门刺激电压
+ 15.0 V
|
门断开电压
——10.4 V
|
马克斯切换频率
28.0千赫
|
栅极峰值电流(最大)
+ 20
|
支持模块类型
IGBT
|
支持模块(年代)
FF600R12IE4
|
IGBT制造商
英飞凌
|
数量的渠道
2
|
保形涂层吗?
没有
|
逻辑输入电压
5
|
保护功能
Adv有源夹紧,过压,短路,UVLO(秒侧),UVLO(prio侧)
|
技术
SCALE-2
|
接口类型
电
|
支持拓扑bob电竞体育平台app
2级电压源,3级np箝位- 1型,3级np箝位- 2型,多级np箝位
|
电源电压(Typ)
15 V
|
功率-输出/通道(最大)
3.0 W
|
隔离型
钢筋
|
隔离技术
电
|
时间-产出下降
25 ns
|
时间-产量上升
7 ns
|
驱动方式
Halfbridge, Direct-Independent
|
连接类型到IGBT
直接
|
||
|
数据表
查看PDF
|
IGBT电压等级
1700 V
|
门刺激电压
+ 15.0 V
|
门断开电压
——10.4 V
|
马克斯切换频率
20.0千赫
|
栅极峰值电流(最大)
+ 20
|
支持模块类型
IGBT
|
支持模块(年代)
FF650R17IE4
|
IGBT制造商
英飞凌
|
数量的渠道
2
|
保形涂层吗?
没有
|
逻辑输入电压
5
|
保护功能
Adv有源夹紧,过压,短路,UVLO(秒侧),UVLO(prio侧)
|
技术
SCALE-2
|
接口类型
电
|
支持拓扑bob电竞体育平台app
2级电压源,3级np箝位- 1型,3级np箝位- 2型,多级np箝位
|
电源电压(Typ)
15 V
|
功率-输出/通道(最大)
3.0 W
|
隔离型
钢筋
|
隔离技术
电
|
时间-产出下降
25 ns
|
时间-产量上升
7 ns
|
驱动方式
Halfbridge, Direct-Independent
|
连接类型到IGBT
直接
|
||
|
数据表
查看PDF
|
IGBT电压等级
1700 V
|
门刺激电压
+ 15.0 V
|
门断开电压
——10.4 V
|
马克斯切换频率
20.0千赫
|
栅极峰值电流(最大)
+ 20
|
支持模块类型
IGBT
|
支持模块(年代)
FF650R17IE4D_B2
|
IGBT制造商
英飞凌
|
数量的渠道
2
|
保形涂层吗?
没有
|
逻辑输入电压
5
|
保护功能
Adv有源夹紧,过压,短路,UVLO(秒侧),UVLO(prio侧)
|
技术
SCALE-2
|
接口类型
电
|
支持拓扑bob电竞体育平台app
2级电压源,3级np箝位- 1型,3级np箝位- 2型,多级np箝位
|
电源电压(Typ)
15 V
|
功率-输出/通道(最大)
3.0 W
|
隔离型
钢筋
|
隔离技术
电
|
时间-产出下降
25 ns
|
时间-产量上升
7 ns
|
驱动方式
Halfbridge, Direct-Independent
|
连接类型到IGBT
直接
|
||
|
数据表
查看PDF
|
IGBT电压等级
1200 V
|
门刺激电压
+ 15.0 V
|
门断开电压
——10.4 V
|
马克斯切换频率
19.0千赫
|
栅极峰值电流(最大)
+ 20
|
支持模块类型
IGBT
|
支持模块(年代)
FF900R12IE4
|
IGBT制造商
英飞凌
|
数量的渠道
2
|
保形涂层吗?
没有
|
逻辑输入电压
5
|
保护功能
Adv有源夹紧,过压,短路,UVLO(秒侧),UVLO(prio侧)
|
技术
SCALE-2
|
接口类型
电
|
支持拓扑bob电竞体育平台app
2级电压源,3级np箝位- 1型,3级np箝位- 2型,多级np箝位
|
电源电压(Typ)
15 V
|
功率-输出/通道(最大)
3.0 W
|
隔离型
钢筋
|
隔离技术
电
|
时间-产出下降
25 ns
|
时间-产量上升
7 ns
|
驱动方式
Halfbridge, Direct-Independent
|
连接类型到IGBT
直接
|
||
|
数据表
查看PDF
|
IGBT电压等级
1200 V
|
门刺激电压
+ 15.0 V
|
门断开电压
——10.4 V
|
马克斯切换频率
20.0千赫
|
栅极峰值电流(最大)
+ 20
|
支持模块类型
IGBT
|
支持模块(年代)
FF900R12IP4
|
IGBT制造商
英飞凌
|
数量的渠道
2
|
保形涂层吗?
没有
|
逻辑输入电压
5
|
保护功能
Adv有源夹紧,过压,短路,UVLO(秒侧),UVLO(prio侧)
|
技术
SCALE-2
|
接口类型
电
|
支持拓扑bob电竞体育平台app
2级电压源,3级np箝位- 1型,3级np箝位- 2型,多级np箝位
|
电源电压(Typ)
15 V
|
功率-输出/通道(最大)
3.0 W
|
隔离型
钢筋
|
隔离技术
电
|
时间-产出下降
25 ns
|
时间-产量上升
7 ns
|
驱动方式
Halfbridge, Direct-Independent
|
连接类型到IGBT
直接
|
||
|
数据表
查看PDF
|
IGBT电压等级
1700 V
|
门刺激电压
+ 15.0 V
|
门断开电压
——10.4 V
|
马克斯切换频率
11.0千赫
|
栅极峰值电流(最大)
+ 20
|
支持模块类型
IGBT
|
支持模块(年代)
2 mbi1000vxb - 170 e - 50
|
IGBT制造商
富士
|
数量的渠道
2
|
保形涂层吗?
是的
|
逻辑输入电压
5
|
保护功能
Adv有源夹紧,过压,短路,UVLO(秒侧),UVLO(prio侧)
|
技术
SCALE-2
|
接口类型
电
|
支持拓扑bob电竞体育平台app
2级电压源,3级np箝位- 1型,3级np箝位- 2型,多级np箝位
|
电源电压(Typ)
15 V
|
功率-输出/通道(最大)
3.0 W
|
隔离型
钢筋
|
隔离技术
电
|
时间-产出下降
25 ns
|
时间-产量上升
7 ns
|
驱动方式
Halfbridge, Direct-Independent
|
连接类型到IGBT
直接
|
||
|
数据表
查看PDF
|
IGBT电压等级
1200 V
|
门刺激电压
+ 15.0 V
|
门断开电压
——10.4 V
|
马克斯切换频率
8.0千赫
|
栅极峰值电流(最大)
+ 20
|
支持模块类型
IGBT
|
支持模块(年代)
2 mbi1400vxb - 120 e - 50
|
IGBT制造商
富士
|
数量的渠道
2
|
保形涂层吗?
是的
|
逻辑输入电压
5
|
保护功能
Adv有源夹紧,过压,短路,UVLO(秒侧),UVLO(prio侧)
|
技术
SCALE-2
|
接口类型
电
|
支持拓扑bob电竞体育平台app
2级电压源,3级np箝位- 1型,3级np箝位- 2型,多级np箝位
|
电源电压(Typ)
15 V
|
功率-输出/通道(最大)
3.0 W
|
隔离型
钢筋
|
隔离技术
电
|
时间-产出下降
25 ns
|
时间-产量上升
7 ns
|
驱动方式
Halfbridge, Direct-Independent
|
连接类型到IGBT
直接
|
||
|
数据表
查看PDF
|
IGBT电压等级
1200 V
|
门刺激电压
+ 15.0 V
|
门断开电压
——10.4 V
|
马克斯切换频率
8.0千赫
|
栅极峰值电流(最大)
+ 20
|
支持模块类型
IGBT
|
支持模块(年代)
2 mbi1400vxb - 120 p - 50
|
IGBT制造商
富士
|
数量的渠道
2
|
保形涂层吗?
是的
|
逻辑输入电压
5
|
保护功能
Adv有源夹紧,过压,短路,UVLO(秒侧),UVLO(prio侧)
|
技术
SCALE-2
|
接口类型
电
|
支持拓扑bob电竞体育平台app
2级电压源,3级np箝位- 1型,3级np箝位- 2型,多级np箝位
|
电源电压(Typ)
15 V
|
功率-输出/通道(最大)
3.0 W
|
隔离型
钢筋
|
隔离技术
电
|
时间-产出下降
25 ns
|
时间-产量上升
7 ns
|
驱动方式
Halfbridge, Direct-Independent
|
连接类型到IGBT
直接
|
||
|
数据表
查看PDF
|
IGBT电压等级
1700 V
|
门刺激电压
+ 15.0 V
|
门断开电压
——10.4 V
|
马克斯切换频率
8.0千赫
|
栅极峰值电流(最大)
+ 20
|
支持模块类型
IGBT
|
支持模块(年代)
2 mbi1400vxb - 170 e - 50
|
IGBT制造商
富士
|
数量的渠道
2
|
保形涂层吗?
是的
|
逻辑输入电压
5
|
保护功能
Adv有源夹紧,过压,短路,UVLO(秒侧),UVLO(prio侧)
|
技术
SCALE-2
|
接口类型
电
|
支持拓扑bob电竞体育平台app
2级电压源,3级np箝位- 1型,3级np箝位- 2型,多级np箝位
|
电源电压(Typ)
15 V
|
功率-输出/通道(最大)
3.0 W
|
隔离型
钢筋
|
隔离技术
电
|
时间-产出下降
25 ns
|
时间-产量上升
7 ns
|
驱动方式
Halfbridge, Direct-Independent
|
连接类型到IGBT
直接
|
||
|
数据表
查看PDF
|
IGBT电压等级
1700 V
|
门刺激电压
+ 15.0 V
|
门断开电压
——10.4 V
|
马克斯切换频率
9.0千赫
|
栅极峰值电流(最大)
+ 20
|
支持模块类型
IGBT
|
支持模块(年代)
2 mbi1400vxb - 170 p - 50
|
IGBT制造商
富士
|
数量的渠道
2
|
保形涂层吗?
是的
|
逻辑输入电压
5
|
保护功能
Adv有源夹紧,过压,短路,UVLO(秒侧),UVLO(prio侧)
|
技术
SCALE-2
|
接口类型
电
|
支持拓扑bob电竞体育平台app
2级电压源,3级np箝位- 1型,3级np箝位- 2型,多级np箝位
|
电源电压(Typ)
15 V
|
功率-输出/通道(最大)
3.0 W
|
隔离型
钢筋
|
隔离技术
电
|
时间-产出下降
25 ns
|
时间-产量上升
7 ns
|
驱动方式
Halfbridge, Direct-Independent
|
连接类型到IGBT
直接
|
||
|
数据表
查看PDF
|
IGBT电压等级
1700 V
|
门刺激电压
+ 15.0 V
|
门断开电压
——10.4 V
|
马克斯切换频率
9.0千赫
|
栅极峰值电流(最大)
+ 20
|
支持模块类型
IGBT
|
支持模块(年代)
2 mbi1800xxf170-50
|
IGBT制造商
富士
|
数量的渠道
2
|
保形涂层吗?
是的
|
逻辑输入电压
5
|
保护功能
Adv有源夹紧,过压,短路,UVLO(秒侧),UVLO(prio侧)
|
技术
SCALE-2
|
接口类型
电
|
支持拓扑bob电竞体育平台app
2级电压源,3级np箝位- 1型,3级np箝位- 2型,多级np箝位
|
电源电压(Typ)
15 V
|
功率-输出/通道(最大)
3.0 W
|
隔离型
钢筋
|
隔离技术
电
|
时间-产出下降
25 ns
|
时间-产量上升
7 ns
|
驱动方式
Halfbridge, Direct-Independent
|
连接类型到IGBT
直接
|
||
|
数据表
查看PDF
|
IGBT电压等级
1700 V
|
门刺激电压
+ 15.0 V
|
门断开电压
——10.4 V
|
马克斯切换频率
14.5千赫
|
栅极峰值电流(最大)
+ 20
|
支持模块类型
IGBT
|
支持模块(年代)
2 mbi650vxa - 170 e - 50
|
IGBT制造商
富士
|
数量的渠道
2
|
保形涂层吗?
是的
|
逻辑输入电压
5
|
保护功能
Adv有源夹紧,过压,短路,UVLO(秒侧),UVLO(prio侧)
|
技术
SCALE-2
|
接口类型
电
|
支持拓扑bob电竞体育平台app
2级电压源,3级np箝位- 1型,3级np箝位- 2型,多级np箝位
|
电源电压(Typ)
15 V
|
功率-输出/通道(最大)
3.0 W
|
隔离型
钢筋
|
隔离技术
电
|
时间-产出下降
25 ns
|
时间-产量上升
7 ns
|
驱动方式
Halfbridge, Direct-Independent
|
连接类型到IGBT
直接
|
||
|
数据表
查看PDF
|
IGBT电压等级
1200 V
|
门刺激电压
+ 15.0 V
|
门断开电压
——10.4 V
|
马克斯切换频率
12.0千赫
|
栅极峰值电流(最大)
+ 20
|
支持模块类型
IGBT
|
支持模块(年代)
2 mbi900vxa - 120 e - 50
|
IGBT制造商
富士
|
数量的渠道
2
|
保形涂层吗?
是的
|
逻辑输入电压
5
|
保护功能
Adv有源夹紧,过压,短路,UVLO(秒侧),UVLO(prio侧)
|
技术
SCALE-2
|
接口类型
电
|
支持拓扑bob电竞体育平台app
2级电压源,3级np箝位- 1型,3级np箝位- 2型,多级np箝位
|
电源电压(Typ)
15 V
|
功率-输出/通道(最大)
3.0 W
|
隔离型
钢筋
|
隔离技术
电
|
时间-产出下降
25 ns
|
时间-产量上升
7 ns
|
驱动方式
Halfbridge, Direct-Independent
|
连接类型到IGBT
直接
|
||
|
数据表
查看PDF
|
IGBT电压等级
1200 V
|
门刺激电压
+ 15.0 V
|
门断开电压
——10.4 V
|
马克斯切换频率
12.0千赫
|
栅极峰值电流(最大)
+ 20
|
支持模块类型
IGBT
|
支持模块(年代)
2 mbi900vxa - 120 p - 50
|
IGBT制造商
富士
|
数量的渠道
2
|
保形涂层吗?
是的
|
逻辑输入电压
5
|
保护功能
Adv有源夹紧,过压,短路,UVLO(秒侧),UVLO(prio侧)
|
技术
SCALE-2
|
接口类型
电
|
支持拓扑bob电竞体育平台app
2级电压源,3级np箝位- 1型,3级np箝位- 2型,多级np箝位
|
电源电压(Typ)
15 V
|
功率-输出/通道(最大)
3.0 W
|
隔离型
钢筋
|
隔离技术
电
|
时间-产出下降
25 ns
|
时间-产量上升
7 ns
|
驱动方式
Halfbridge, Direct-Independent
|
连接类型到IGBT
直接
|
||
|
数据表
查看PDF
|
IGBT电压等级
1700 V
|
门刺激电压
+ 15.0 V
|
门断开电压
——10.4 V
|
马克斯切换频率
15.0千赫
|
栅极峰值电流(最大)
+ 20
|
支持模块类型
IGBT
|
支持模块(年代)
DP1000B1700T103715
|
IGBT制造商
丹佛斯
|
数量的渠道
2
|
保形涂层吗?
是的
|
逻辑输入电压
5
|
保护功能
Adv有源夹紧,过压,短路,UVLO(秒侧),UVLO(prio侧)
|
技术
SCALE-2
|
接口类型
电
|
支持拓扑bob电竞体育平台app
2级电压源,3级np箝位- 1型,3级np箝位- 2型,多级np箝位
|
电源电压(Typ)
15 V
|
功率-输出/通道(最大)
3.0 W
|
隔离型
钢筋
|
隔离技术
电
|
时间-产出下降
25 ns
|
时间-产量上升
7 ns
|
驱动方式
Halfbridge, Direct-Independent
|
连接类型到IGBT
直接
|
||
|
数据表
查看PDF
|
IGBT电压等级
1200 V
|
门刺激电压
+ 15.0 V
|
门断开电压
——10.4 V
|
马克斯切换频率
16.0千赫
|
栅极峰值电流(最大)
+ 20
|
支持模块类型
IGBT
|
支持模块(年代)
DP1400B1200T103714
|
IGBT制造商
丹佛斯
|
数量的渠道
2
|
保形涂层吗?
是的
|
逻辑输入电压
5
|
保护功能
Adv有源夹紧,过压,短路,UVLO(秒侧),UVLO(prio侧)
|
技术
SCALE-2
|
接口类型
电
|
支持拓扑bob电竞体育平台app
2级电压源,3级np箝位- 1型,3级np箝位- 2型,多级np箝位
|
电源电压(Typ)
15 V
|
功率-输出/通道(最大)
3.0 W
|
隔离型
钢筋
|
隔离技术
电
|
时间-产出下降
25 ns
|
时间-产量上升
7 ns
|
驱动方式
Halfbridge, Direct-Independent
|
连接类型到IGBT
直接
|
||
|
数据表
查看PDF
|
IGBT电压等级
1700 V
|
门刺激电压
+ 15.0 V
|
门断开电压
——10.4 V
|
马克斯切换频率
9.0千赫
|
栅极峰值电流(最大)
+ 20
|
支持模块类型
IGBT
|
支持模块(年代)
DP1400B1700TU103726
|
IGBT制造商
丹佛斯
|
数量的渠道
2
|
保形涂层吗?
是的
|
逻辑输入电压
5
|
保护功能
Adv有源夹紧,过压,短路,UVLO(秒侧),UVLO(prio侧)
|
技术
SCALE-2
|
接口类型
电
|
支持拓扑bob电竞体育平台app
2级电压源,3级np箝位- 1型,3级np箝位- 2型,多级np箝位
|
电源电压(Typ)
15 V
|
功率-输出/通道(最大)
3.0 W
|
隔离型
钢筋
|
隔离技术
电
|
时间-产出下降
25 ns
|
时间-产量上升
7 ns
|
驱动方式
Halfbridge, Direct-Independent
|
连接类型到IGBT
直接
|
||
|
数据表
查看PDF
|
IGBT电压等级
1700 V
|
门刺激电压
+ 15.0 V
|
门断开电压
——10.4 V
|
马克斯切换频率
13.0千赫
|
栅极峰值电流(最大)
+ 20
|
支持模块类型
IGBT
|
支持模块(年代)
FF1000R17IE4
|
IGBT制造商
英飞凌
|
数量的渠道
2
|
保形涂层吗?
是的
|
逻辑输入电压
5
|
保护功能
Adv有源夹紧,过压,短路,UVLO(秒侧),UVLO(prio侧)
|
技术
SCALE-2
|
接口类型
电
|
支持拓扑bob电竞体育平台app
2级电压源,3级np箝位- 1型,3级np箝位- 2型,多级np箝位
|
电源电压(Typ)
15 V
|
功率-输出/通道(最大)
3.0 W
|
隔离型
钢筋
|
隔离技术
电
|
时间-产出下降
25 ns
|
时间-产量上升
7 ns
|
驱动方式
Halfbridge, Direct-Independent
|
连接类型到IGBT
直接
|
||
|
数据表
查看PDF
|
IGBT电压等级
1200 V
|
门刺激电压
+ 15.0 V
|
门断开电压
——10.4 V
|
马克斯切换频率
20.0千赫
|
栅极峰值电流(最大)
+ 20
|
支持模块类型
IGBT
|
支持模块(年代)
FF1200R12IE5
|
IGBT制造商
英飞凌
|
数量的渠道
2
|
保形涂层吗?
是的
|
逻辑输入电压
5
|
保护功能
Adv有源夹紧,过压,短路,UVLO(秒侧),UVLO(prio侧)
|
技术
SCALE-2
|
接口类型
电
|
支持拓扑bob电竞体育平台app
2级电压源,3级np箝位- 1型,3级np箝位- 2型,多级np箝位
|
电源电压(Typ)
15 V
|
功率-输出/通道(最大)
3.0 W
|
隔离型
钢筋
|
隔离技术
电
|
时间-产出下降
25 ns
|
时间-产量上升
7 ns
|
驱动方式
Halfbridge, Direct-Independent
|
连接类型到IGBT
直接
|
||
|
数据表
查看PDF
|
IGBT电压等级
1200 V
|
门刺激电压
+ 15.0 V
|
门断开电压
——10.4 V
|
马克斯切换频率
14.0千赫
|
栅极峰值电流(最大)
+ 20
|
支持模块类型
IGBT
|
支持模块(年代)
FF1400R12IP4
|
IGBT制造商
英飞凌
|
数量的渠道
2
|
保形涂层吗?
是的
|
逻辑输入电压
5
|
保护功能
Adv有源夹紧,过压,短路,UVLO(秒侧),UVLO(prio侧)
|
技术
SCALE-2
|
接口类型
电
|
支持拓扑bob电竞体育平台app
2级电压源,3级np箝位- 1型,3级np箝位- 2型,多级np箝位
|
电源电压(Typ)
15 V
|
功率-输出/通道(最大)
3.0 W
|
隔离型
钢筋
|
隔离技术
电
|
时间-产出下降
25 ns
|
时间-产量上升
7 ns
|
驱动方式
Halfbridge, Direct-Independent
|
连接类型到IGBT
直接
|
||
|
数据表
查看PDF
|
IGBT电压等级
1700 V
|
门刺激电压
+ 15.0 V
|
门断开电压
——10.4 V
|
马克斯切换频率
10.0千赫
|
栅极峰值电流(最大)
+ 20
|
支持模块类型
IGBT
|
支持模块(年代)
FF1400R17IP4
|
IGBT制造商
英飞凌
|
数量的渠道
2
|
保形涂层吗?
是的
|
逻辑输入电压
5
|
保护功能
Adv有源夹紧,过压,短路,UVLO(秒侧),UVLO(prio侧)
|
技术
SCALE-2
|
接口类型
电
|
支持拓扑bob电竞体育平台app
2级电压源,3级np箝位- 1型,3级np箝位- 2型,多级np箝位
|
电源电压(Typ)
15 V
|
功率-输出/通道(最大)
3.0 W
|
隔离型
钢筋
|
隔离技术
电
|
时间-产出下降
25 ns
|
时间-产量上升
7 ns
|
驱动方式
Halfbridge, Direct-Independent
|
连接类型到IGBT
直接
|
||
|
数据表
查看PDF
|
IGBT电压等级
1200 V
|
门刺激电压
+ 15.0 V
|
门断开电压
——10.4 V
|
马克斯切换频率
37.0千赫
|
栅极峰值电流(最大)
+ 20
|
支持模块类型
IGBT
|
支持模块(年代)
FF450R12IE4
|
IGBT制造商
英飞凌
|
数量的渠道
2
|
保形涂层吗?
是的
|
逻辑输入电压
5
|
保护功能
Adv有源夹紧,过压,短路,UVLO(秒侧),UVLO(prio侧)
|
技术
SCALE-2
|
接口类型
电
|
支持拓扑bob电竞体育平台app
2级电压源,3级np箝位- 1型,3级np箝位- 2型,多级np箝位
|
电源电压(Typ)
15 V
|
功率-输出/通道(最大)
3.0 W
|
隔离型
钢筋
|
隔离技术
电
|
时间-产出下降
25 ns
|
时间-产量上升
7 ns
|
驱动方式
Halfbridge, Direct-Independent
|
连接类型到IGBT
直接
|
||
|
数据表
查看PDF
|
IGBT电压等级
1700 V
|
门刺激电压
+ 15.0 V
|
门断开电压
——10.4 V
|
马克斯切换频率
28.0千赫
|
栅极峰值电流(最大)
+ 20
|
支持模块类型
IGBT
|
支持模块(年代)
FF450R17IE4
|
IGBT制造商
英飞凌
|
数量的渠道
2
|
保形涂层吗?
是的
|
逻辑输入电压
5
|
保护功能
Adv有源夹紧,过压,短路,UVLO(秒侧),UVLO(prio侧)
|
技术
SCALE-2
|
接口类型
电
|
支持拓扑bob电竞体育平台app
2级电压源,3级np箝位- 1型,3级np箝位- 2型,多级np箝位
|
电源电压(Typ)
15 V
|
功率-输出/通道(最大)
3.0 W
|
隔离型
钢筋
|
隔离技术
电
|
时间-产出下降
25 ns
|
时间-产量上升
7 ns
|
驱动方式
Halfbridge, Direct-Independent
|
连接类型到IGBT
直接
|
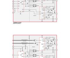
2SP0320专门用于驱动PrimePACK™IGBT模块。作为SCALE-2即插即用驱动器家族的一员,它针对电气性能以及抗干扰性进行优化以满足不同工业应用的要求。
与传统解决方案相比,高度集成的SCALE-2芯片组可将元件数量减少80%,因此能够显著地提高可靠性,并降低成本。
2 sp0320是完整的双通道IGBT驱动器,具备DC / DC电源,短路保护,高级有源箝位和电源电压监控功能。
用户只需将它安装到相应的igbt模块上,系统便可立即开始工作,无需进行额外的开发或适配。这样能够缩短设计周期,同时不会影响整个系统的效率。
这款驱动器支持多个驱动器直接并联,即使在额定功率更高的应用中,也能够实现简单的逆变器设计。可针对同封装的igbt模块进行专门的适配。所有驱动器均可选用电气或光纤接口。
接口选项
2sp0320驱动器可选用电气接口和不同类型的光纤接口。
电气接口:2sp0320t
dic20电气接口非常简单,方便易用。
该驱动器配备以下端子:
所有输入端都有esd防护功能,所有数字信号输入端都有施密特特性。
光纤接口:2sp0320v和2sp0320s
驱动器使用光纤实现指令信号和状态反馈信号的电气隔离。有两种版本可用:
如需详细信息,请查阅产品文档。
驱动并联的igbt
带有独立驱动器的PrimePACK IGBT模块可实现任意数量的直接并联。驱动器直接并联是一种崭新的,开创性的概念,这使得IGBT并联的技术门槛大大降低,客户无需花太多时间对均流性进行调试。
专门用于驱动PrimePACK IGBT模块及其兼容模块,可选用电气或光纤接口。利用scale2芯片组,将元件数量减少80%。
