bobapp怎么样 获得技术支持

1SP0350

Digital Scale™-2插件IGBT/IEGT GATE驱动程序

该产品处于终身状态,不再可用。
BOB体育平台下载
电机控制图标
铁路图标
传输图标

产品详情

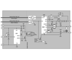
1SP0350V Scale™-2单渠道插件式门驱动器可靠,安全地驱动4500 V Press-Pack-Pack IEGT和IGBT以及其他IEGT和IGBT形式。它是HVDC和铁路行业中高可靠性应用的理想选择。BOB体育平台下载

基于Scale-2芯片组,1SP0350是高度集成,高性能,完整且极其紧凑的单通道栅极驱动程序。与常规解决方案相比,比例尺2芯片组将组件计数降低了85% - 大大提高了可靠性和降低成本。该驾驶员配备了动态高级活动夹具(DAAC),短路保护,内置DC/DC转换器,受调节的转机门驱动电压,栅极发射机监视和电源电压监视。驱动程序的插件功能允许连接后立即操作。

关键好处

  • 在自定义混合信号ASIC中实现的复杂数字控制算法提供了准确可靠的驱动器
  • 减少组件计数-MPROVES MTBF并降低了驱动程序的大小
  • 制造过程中施加的共形涂层 - 增强环境鲁棒性
  • 易于使用 - 只需将栅极驱动程序连接到模块和光纤链接
  • 简单的编程选项优化断路器应用的直流电压BOB体育平台下载

主要特征