bobapp怎么样 寻求技术支持

InnoSwitch-CH

离线反激式CV/CC开关IC集成MOSFET,同步整流和反馈

这是一个活跃的产品,有更新的版本可用。
建议选择: InnoSwitch3-CE
BOB体育平台下载
USB PD适配器图标
智能照明图标
应用程序图标

产品详细信息


来自EDN的最新消息:PI的营销副总裁Doug Bailey讨论了InnoSwitch技术的发展。阅读文章并观看视频!

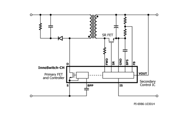
InnoSwitch™-CH系列集成电路将主、次和反馈电路集成在一个表面安装的离线反激开关IC中,InnoSwitch-CH集成了主FET、主侧控制器和副侧同步整流控制器。新的集成电路还包括一项创新的新技术FluxLink™,该技术可以安全地跨越隔离屏障,消除对光耦合器的需求。副侧控制器的集成实现了快速瞬态响应的同步整流FET驱动,超过了所有世界范围内的效率标准,包括行为规范版本5和DoE版本6的规定。

产品亮点

高度集成,紧凑的足迹

  • 集成反激式控制器,650v MOSFET,
    二次侧感应和同步整流
  • 集成,hipot隔离,反馈链接
  • 卓越的CV/CC精度,独立于变压器设计或外部组件
  • 瞬时瞬态响应±5% CV与
    0-100-0%负载步骤

EcoSmart™-节能

  • <10 mW空载@ 230 VAC,可选偏置绕组
  • 轻松满足所有全球能源效率法规,包括DOE 6/CoC v5
  • 低散热

先进的保护/安全功能

  • 带有可选偏置绕组的初级传感输出OVP
  • 二级感应输出超调钳
  • 次级感应输出OCP到零输出电压
  • 迟滞热停堆
  • 725 V功率MOSFET

完全安全和合规

  • 100%生产HIPOT符合测试
    在6千伏DC/1秒
  • 加强绝缘
  • 隔离电压= 3500 VAC UL1577和TUV (EN60950, EN62368)安全批准EN61000-4-8 (100 A/m)和EN61000-4-9 (1000 A/m)符合

绿色的包

  • 不含卤素,符合RoHS标准

BOB体育平台下载

  • 智能移动设备的充电器和适配器
  • LED照明
  • 高效率、低电压、大电流电源