bobapp怎么样 获得技术支持

hiperpfs

具有集成高压MOSFET的高功率PFC控制器

该产品处于终身状态,不再可用。
建议的替代方案: hiperpfs-3 HIPERPFS-4
BOB体育平台下载
电器图标
计算机和服务器图标
电视

产品详情

产品停用信息

HiperPF的生产将在2020年6月10日之后结束。请与您当地的PI销售办公室联系以获取样品,以帮助迁移到替代产品。

建议的替代部分:

零件号 替代部分 零件号 替代部分
PFS704EG PFS7623H/L。 PFS723EG PFS7633H
PFS706EG PFS7624H/L。 PFS724EG PFS7634H
PFS708EG PFS7625H/L。 PFS725EG PFS7635H
PFS710EG PFS7626H/L。 PFS726EG PFS7636H
PFS712EG PFS7627H/L。 PFS727EG PFS7637H
PFS713EG PFS7628H/L。 PFS728EG PFS7638H
PFS714EG PFS7629H/L。 PFS729EG PFS7639H
PFS716EG PFS7629H/L。

描述

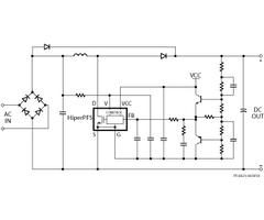
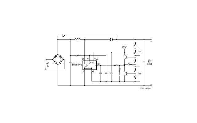
HIPERPFS设备家族成员在单个低调的ESIP中融合了连续传导模式(CCM)增强PFC控制器,栅极驱动器和高压功率MOSFET能够提供接近统一输入功率因数的功率包。HIPERPFS设备消除了PFC转换器对外部电流电阻器的需求,与这些组件相关的功率损耗,并利用了一种创新的控制技术,该技术可以根据输出负载,输入线电压以及输入线周期来调整开关频率。该控制技术旨在最大化转换器的整个负载范围,尤其是在光负载下。此外,由于其宽带宽度的扩散频谱效应,这种控制技术可显着最大程度地减少EMI过滤需求。HIPERPF包括Power Integrations的标准全面保护功能集,例如集成软启动,UV,OV,Brown-In/Out和滞留热关闭。HIPERPFS还为电源MOSFET提供循环电流限制,输出的功率限制以进行超载保护以及针对PIN的PIN短路可行保护。

产品亮点

关键好处

  • 用于增强功率因数校正(PFC)的单芯片解决方案
    • EN61000-3-2 C&D合规性
  • 高光负载效率在10%和20%的负载下
    • > 95%的效率从10%的负载到满载
    • <130兆瓦的无负荷消耗在230 VAC,输出的法规输出
    • <50 mW的偏远状态下230 VAC的无负荷消耗
  • 通过线电压和线周期调整的频率
    • 跨> 60 kHz窗口的传播光谱以简化EMI过滤要求
    • 较低的增强电感
  • 提供多达1 kW的峰值输出功率
    • > 1 kW电源限制电压调节模式下的峰值电源输送
  • 高集成允许较小的外形,更高的功率密度设计
    • 合并控制,栅极驱动器和HV Power MOSFET
    • 内部当前意识减少了组件计数和系统损失
  • 保护功能包括:紫外线,OV,OTP,棕色内部/外,逐行的循环限制以及用于超负荷保护的功率限制
  • 不含卤素和ROHS

BOB体育平台下载

  • 个人电脑
  • 打印机
  • 液晶电视
  • 视频游戏机
  • 高功率适配器
  • 高功率LED照明
  • 工业与设备
  • 通用PFC转换器

资源