ソリュションファンダ 技術サポ,ト

LYTSwitch-3

トライアック調光機能向けPFCと定電流出力を組み合わせたワンコンバータ型领导ドライバIC

これは,新しい設計には推奨されないアクティブ製品です。
建议选择: LYTSwitch-4
アプリケ,ション

製品詳細

概要

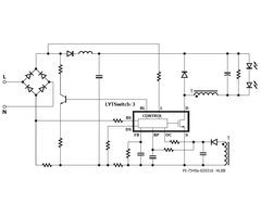
LYTSwitch™3ファミリーは,ワンコンバータ型PFCと定電流出力を備えており,领导電球とダウンライトに最適です。

各デバイスには,高耐圧パワーMOSFET及び不連続モード,可変周波数,可在時変間のコントローラが組み込まれています。コントローラには,サイクルバイサイクルカレントリミット,出力OVP,入力過電圧,包括的な保護機能,高度な温度検出機能を内蔵しています。

すべてのLYTSwitch-3 ICには,リーディングエッジとトレーリングエッジの調光器を区別するトライアック検出器が組み込まれています。この機能と負荷監視回路は,各ス。調光器がまったく検出されない場合,コントローラはブリーダー回路を完全に無効にするので,効率が大幅に向上します。

ローサイドスイッチングトポロジー,電気的に安定した源ピンによる冷却,及び周波数ジッターの組み合わせによって,極めて低いEMIを実現します。これにより,入力フィルタ部品が小型化され,調光中の音鳴りが大幅に抑制されます。

表1に示されている部品番号は,設計コストを最適化すると同時に,)™スイッチング技術によってデバイスサイズと負荷条件ごとに効率を最大化できる4つの異なる電力レベル及び2つのMOSFET電圧オプションを示��ます。

製品ハ▪▪ラ▪▪ト

ワンコンバ,タ型PFCと高精度な定電流出力を内蔵

  • 入力及び負荷での定電流レギュレション±3%以内
  • 力率0.9以上
  • トラesc escアック位相制御でもムラのないva低減
  • 低thd,調光対応電球で通常15%,最適化された設計で7%

高度な内蔵トラ@ @アック調光器検出

  • リディングエッジ型及びトレリングエッジ型のトラアック調光器を検出
  • 調光器がない場合は高効率モ,ド
  • 選択可能な調光プロファ@ @ルによって設計の柔軟性が向上
  • 深い調光中でも迅速なタ,ンオン(500ms以内)
  • 低いポップオン及びデッドトラベル
  • アクティブブリダドラブによる最も幅広い調光器の互換性

自由度の高い設計

  • 降圧,極性反転型,タップトバック型,昇圧,絶縁型,及び非絶縁型のフラ
  • 最大20wの出力

高信頼性

  • 電解整流コンデンサまたはオプトア▪▪ソレ▪▪タがないため長寿命を実現
  • 優れた保護機能
    • 入力と出力の過電圧
    • 短絡とオ,プンル,プの保護
  • 高度な温度制御
    • サ,マルフォ,ルドバック機能により,温度上昇た場合でも光出力可能
    • 異常時には迅速なシャットダウン機能によって保護

リソス