规范
设计类型
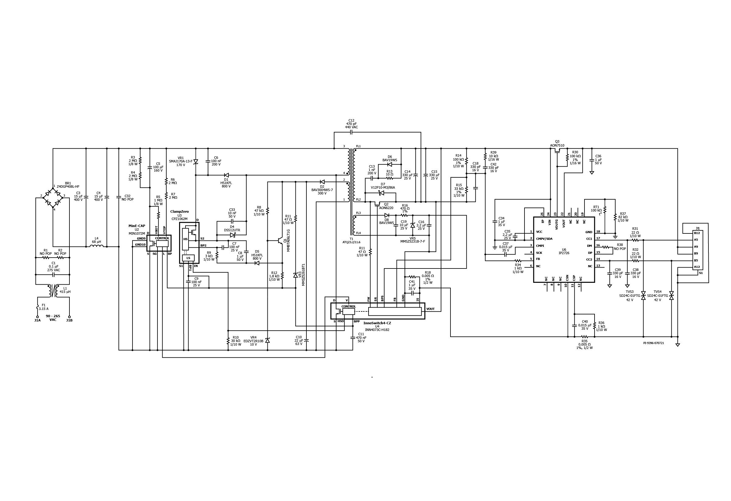
参考设计报告(RDR)
拓扑结构
回扫
RoHS吗?
是的
输出电压(变量)
5.00 V
输出电压(变量)
9.00 V
输出电压(变量)
15.00 V
输出电压(变量)
20.00 V
文(分钟)
90
马克斯(Vin)的
265
可变功率输出
是的
P(无载)
60.00兆瓦
简历/ CC
简历/ CC
效率
93.00%
欧盟ErP合规?
是的
孤立?
是的
输出数
1
输出功率
60.00 W
OVP吗?
是的
相关的部分
Inn4073c, cpz1062米,min1072m
Gerber文件
rdr - 928 _gerber.zip


