规格
设计类型
参考设计报告(RDR)
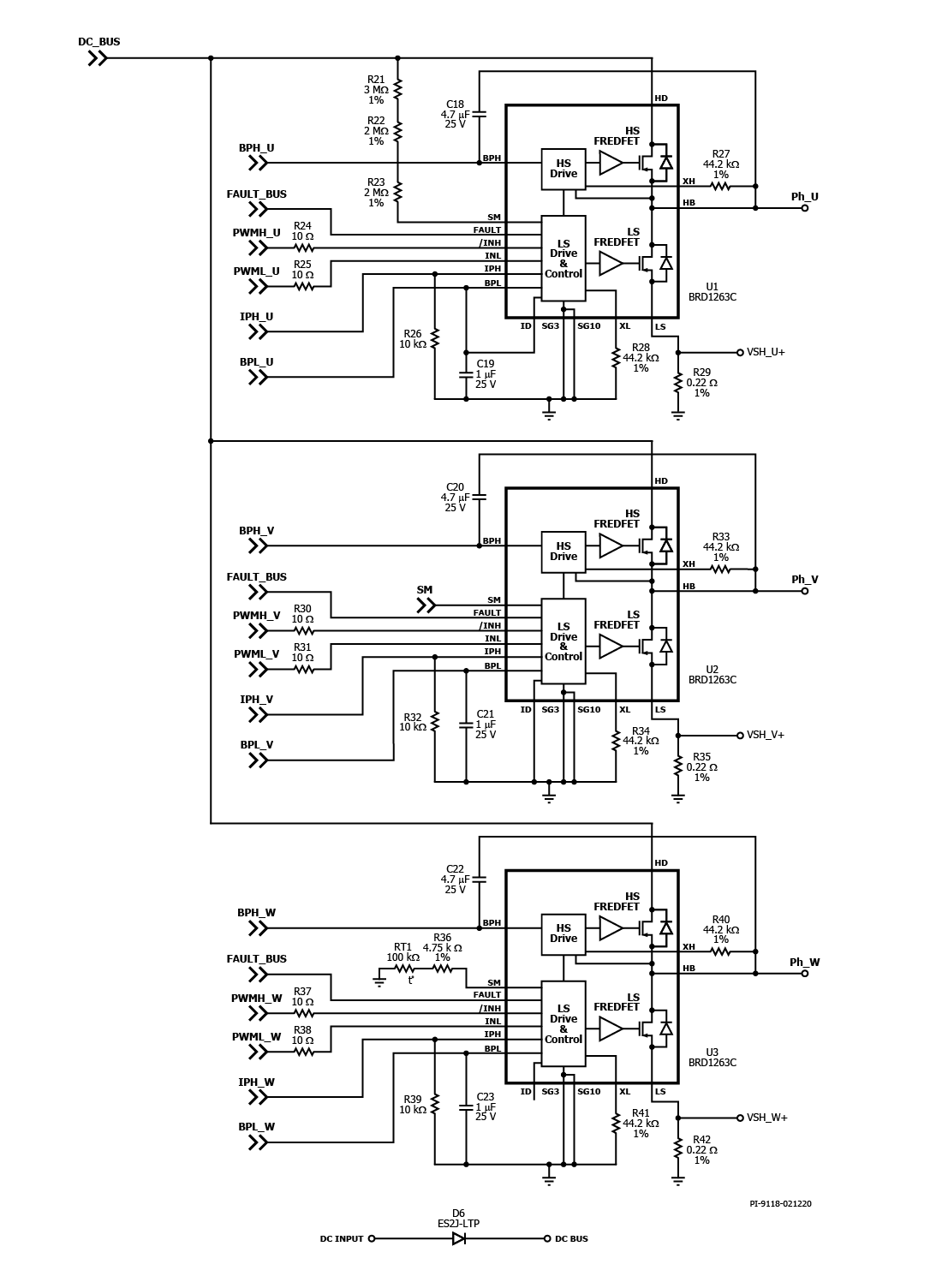
拓扑
LLC半桥
vin(最小)
270
VIN(最大)
365
P(noload)
300.00兆瓦
效率
97.00%
输出数量
1
输出功率
200.00 w
相关零件
BRD1263C,LNK3204D
Gerber文件
RDR-852_GERBER.ZIP


