规范
相关产品编号
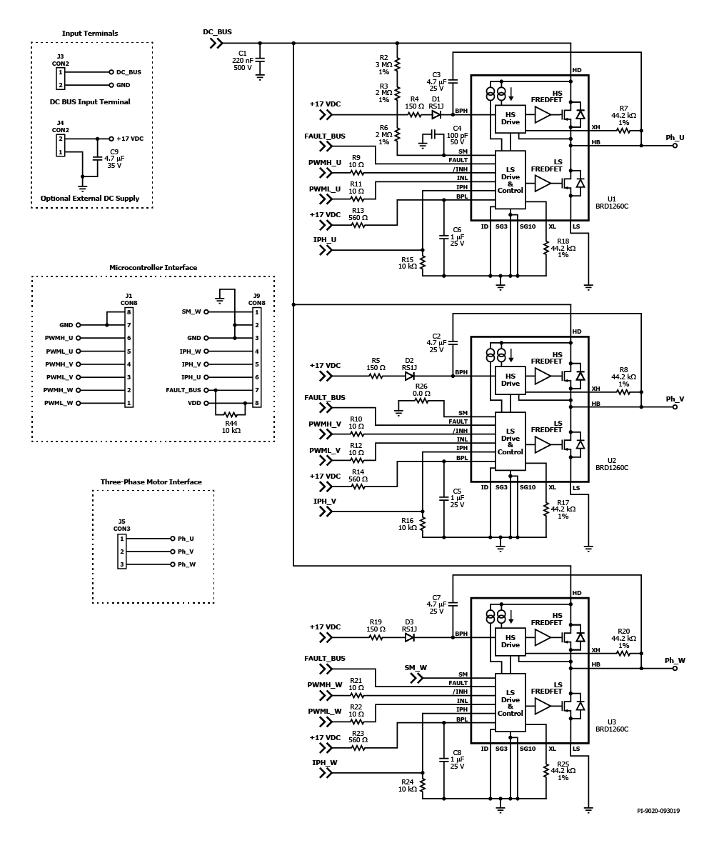
BRD1260C
设计类型
参考设计报告(RDR)
拓扑结构
LLC半桥
文(分钟)
270
马克斯(Vin)的
365
P(无载)
250.00兆瓦
效率
95.00%
输出数
1
输出功率
40.00 W
相关的部分
BRD1260C
Gerber文件
rdr - 851 _gerber.zip


