规格
关联的产品编号
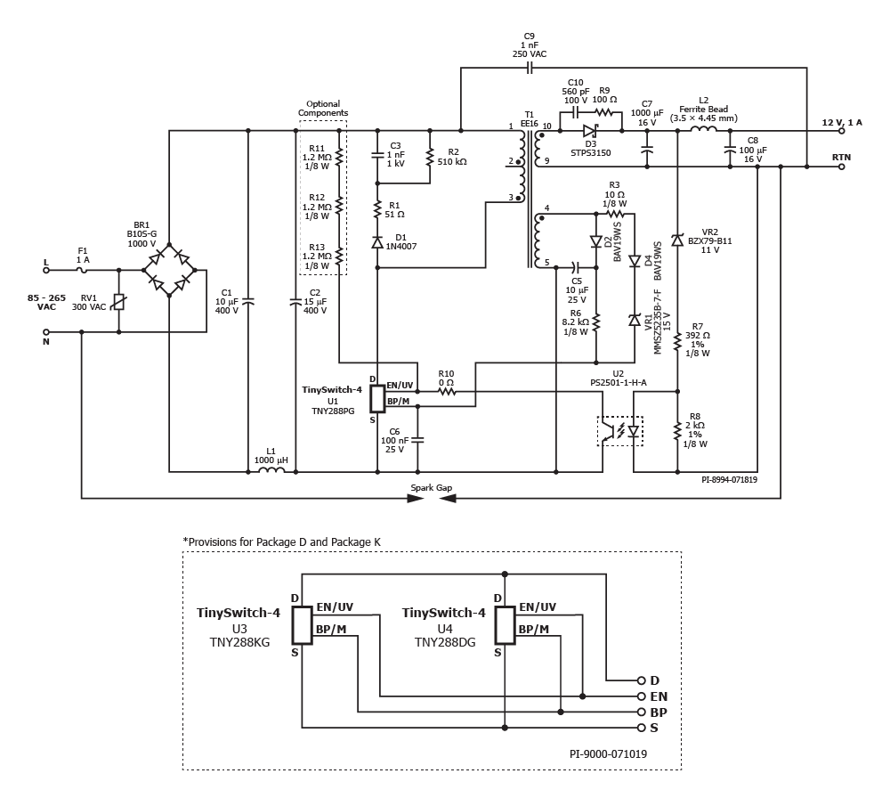
TNY288PG
设计类型
参考设计报告(RDR)
拓扑
飞回来
VOUT 1
12.00 v
vin(最小)
85
VIN(最大)
265
P(noload)
30.00兆瓦
CV/CC
CV/CC
效率
85.00%
欧盟ERP兼容?
是的
孤立?
是的
输出数量
1
输出功率
12.00 w
OVP?
是的
相关零件
TNY288PG
Gerber文件
RDR-839_GERBER.ZIP


