规范
相关的产品号
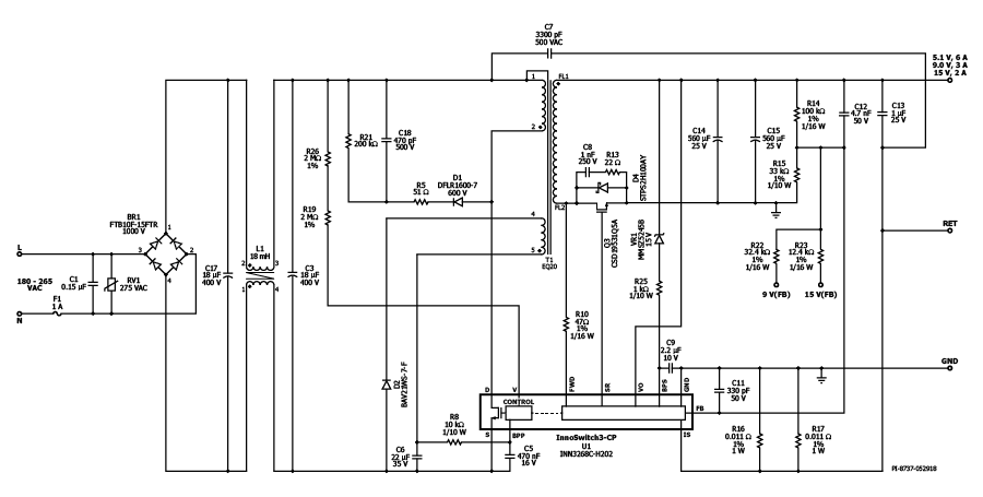
INN3268C-H202
设计类型
参考设计报告(RDR)
拓扑结构
回扫
输出电压(变量)
5.10 V
输出电压(变量)
9.20 V
输出电压(变量)
15.30 V
电压输出1
5.10 V
电压输出2
9.20 V
电压输出3
15.30 V
文(分钟)
180年
马克斯(Vin)的
265年
变量输出功率
是的
P(无载)
30.00兆瓦
简历/ CC
简历/ CC
效率
89.00%
孤立?
是的
数量的输出
1
输出功率
30.00 W
OVP吗?
是的
相关的部分
INN3268C-H202
Gerber文件
rdr - 659 _gerber.zip


