规范
相关产品编号
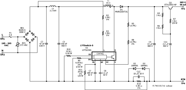
LYT5225D
设计类型
设计示例报告(DER)
拓扑结构
提高
电压输出1
385.00 V
文(分钟)
195
马克斯(Vin)的
265
简历/ CC
CC
效率
90.00%
孤立?
没有
输出数
1
输出功率
18.40 W
OVP吗?
是的
PFC吗?
是的
相关的部分
LYT5225D
Gerber文件
rd543gerber.zip


