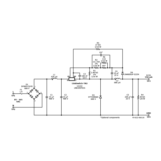
RDR-912 - 6.6 W非隔离Buck转换器用于使用LinkSwitch-TN2的小型电器 6.6 W非隔离降压转换器,用于小型电器,使用LinkSwitch-TN2 (LNK3207D) 输入:85 VAC - 265 VAC输入 输出:12v, 550 mA输出 查看PDF 下载 RDK可用 BOB体育平台下载 产品 LinkSwitch-TN2
规范 设计类型 参考设计报告(RDR) 拓扑结构 巴克 电压输出1 12.00 V 文(分钟) 85 马克斯(Vin)的 265 P(无载) 40.00兆瓦 简历/ CC CC 效率 81.00% 孤立? 没有 输出数 1 输出功率 6.60 W Gerber文件 rdr - 912 _gerber.zip