RDR-801-使用HIPERPFS-4和Lytswitch-6 使用HIPERPFS-4(PFS7626C)和Lytswitch-6(Lyt6079c,合并)100 W 2阶段的增压和孤立的飞回3向Dimmable LED镇流器Powigan技术) 查看PDF 下载PDF RDK可用 BOB体育平台下载 产品 HIPERPFS-4 Lytswitch-6
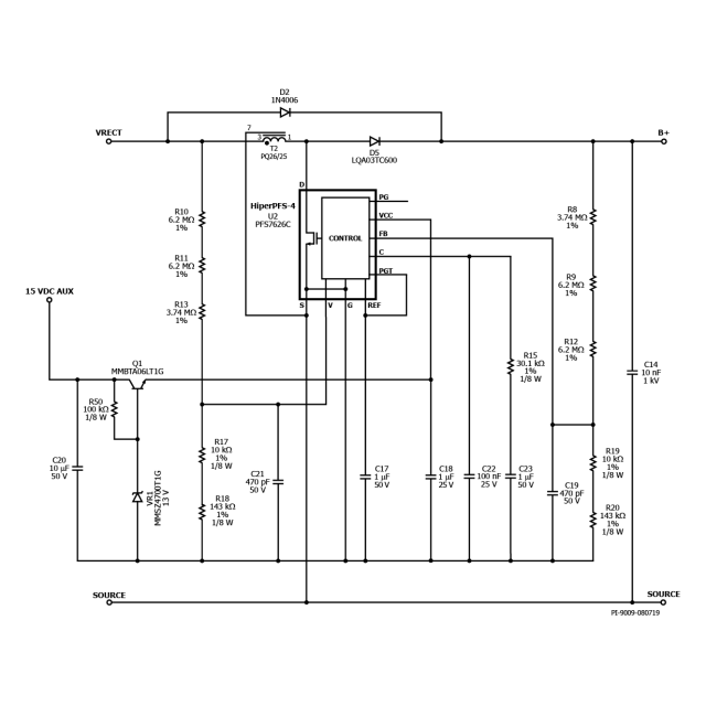
规格 设计类型 参考设计报告(RDR) 拓扑 飞回来 rohs? 是的 VOUT 1 48.00 v vin(最小) 100 VIN(最大) 277 P(noload) 200.00兆瓦 CV/CC CV/CC 效率 90.00% 欧盟ERP兼容? 是的 孤立? 是的 输出数量 1 输出功率 100.00 w OVP? 是的 相关零件 PFS7626C,LYT6079C Gerber文件 rdr-801_schematic.zip