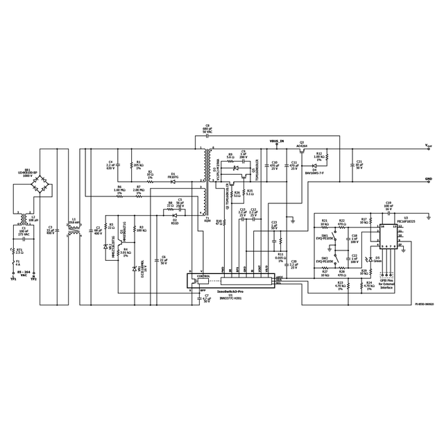
RDR-641 - 40w可变输出(3v至8v, 5a;8 V - 20 V恒定电源)使用InnoSwitch3-Pro和Microchip的PIC16F18325微控制器 查看PDF 下载 RDK可用 BOB体育平台下载 产品 InnoSwitch3-Pro
规范 设计类型 参考设计报告(RDR) 拓扑结构 回扫 RoHS吗? 是的 输出电压(最小值) 3.00 V 输出电压(最大值) 20.00 V 电压输出1 3.00 V 电压输出2 8.00 V 电压输出3 20.00 V 文(分钟) 85 马克斯(Vin)的 265 可变功率输出 是的 P(无载) 29.00兆瓦 简历/ CC 简历/ CC 效率 88.00% 欧盟ErP合规? 是的 孤立? 是的 输出数 1 输出功率 40.00 W OVP吗? 是的 PFC吗? 没有 相关的部分 INN3377C Gerber文件 rdr - 641 _gerber.zip