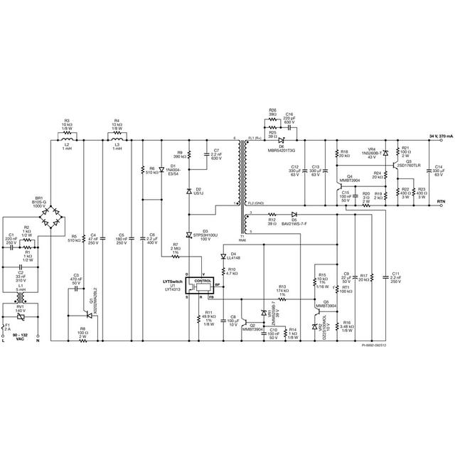
RDR-347 - 12.6 W, TRIAC Dimmable, Isolated Flyback, PFC (>0.97) LED Driver View PDF Download PDF RDK Available BOB体育平台下载 Products LYTSwitch-4
Specifications Design Type Reference Design Reports (RDR) Topology Flyback RoHS? Yes Vout 1 34.00 V Vin (min) 90 Vin (max) 132 TRIAC dimmable? Yes Efficiency 83.00% Isolated? Yes Number of outputs 1 Output Power 12.60 W PFC? Yes Associated Parts LYT4313 Gerber File rd347gerber.zip