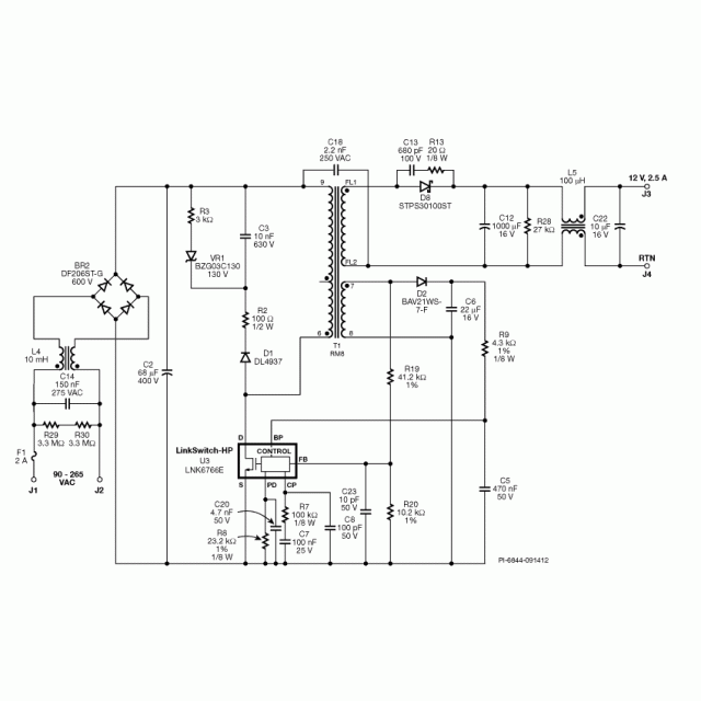
规范 设计类型 参考设计报告(RDR) 拓扑结构 回扫 RoHS吗? 是的 电压输出1 12.00 V 文(分钟) 90 马克斯(Vin)的 265 效率 90.00% 孤立? 是的 数量的输出 1 输出功率 30.00 W PFC吗? 是的 相关的部分 LNK6766E Gerber文件 rd313gerber.zip