bobapp怎么样 寻求技术支持

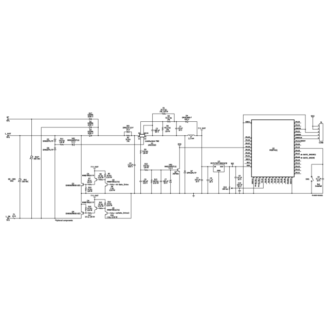
DER-865 - 2线正/反相BLE智能调光器,使用LinkSwitch-TNZ,带无损交流过零检测

采用LinkSwitch-TNZ (LNK3302D)的双线正/反相蓝牙低能耗(BLE)智能调光开关,具有无损交流过零检测

  • 输入:90 - 305 VAC
  • 输出:7v / 70ma
  • 兼容2线(无中性)和3线家庭/建筑布线
  • 用户可选择正向(前缘)或反向(后缘)调光模式

BOB体育平台下载

商业/工业照明图标
应用程序图标
智能照明图标