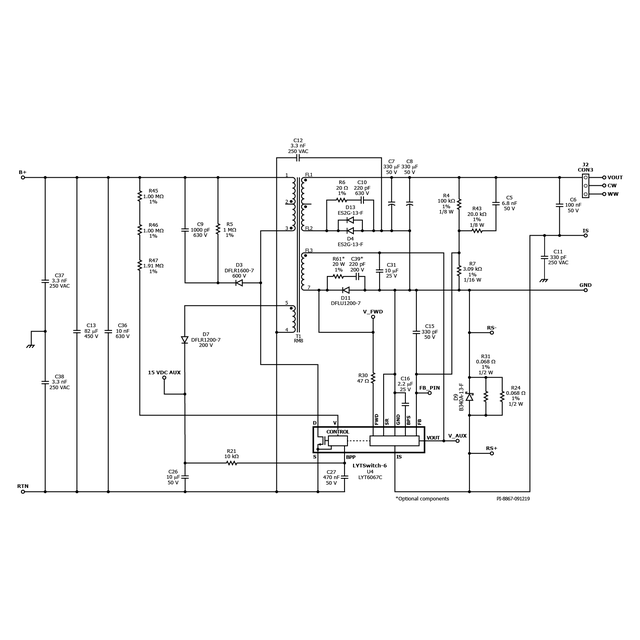
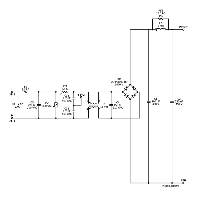
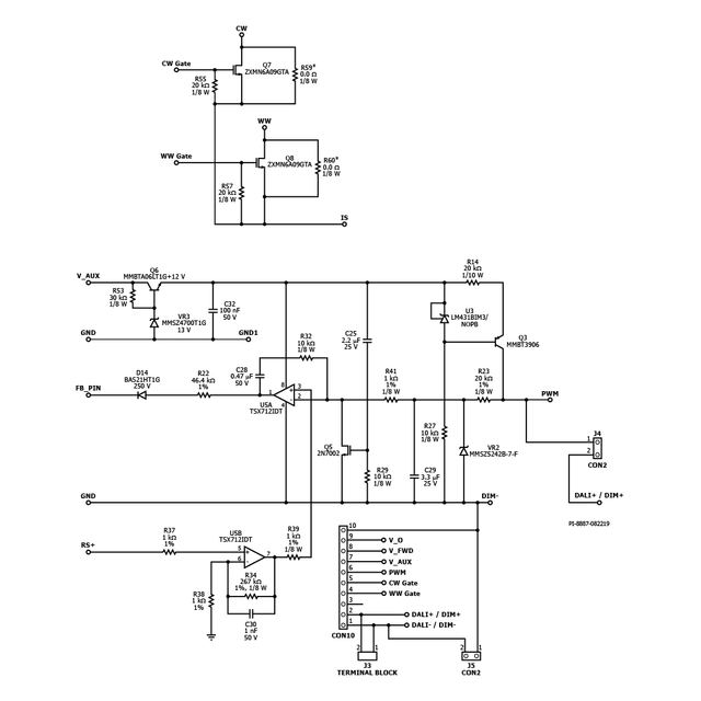
DER-750 - 42 W 2级Boost和隔离反激式可调光LED镇流器,使用HiperPFS-4和LYTSwitch-6 42 W 2级Boost和隔离反激3路+ DALI可调光LED镇流器,使用HiperPFS-4 (PFS7623C)和LYTSwitch-6 (LYT6067C) 查看PDF 下载 BOB体育平台下载 产品 HiperPFS-4 LYTSwitch-6
规范 设计类型 设计示例报告(DER) 拓扑结构 回扫 RoHS吗? 是的 电压输出1 42.00 V 文(分钟) 90 马克斯(Vin)的 277 P(无载) 230.00兆瓦 简历/ CC 简历/ CC 效率 89.00% 欧盟ErP合规? 是的 孤立? 是的 输出数 1 输出功率 42.00 W OVP吗? 是的 PFC吗? 是的 相关的部分 PFS7623C, LYT6067C Gerber文件 der - 750 _gerber.zip