DER-701-27 W USB PD 3.0,使用Innoswitch3-Pro和通过实验室VP302控制器,带有3.3 V-11 V PPS PPS电源
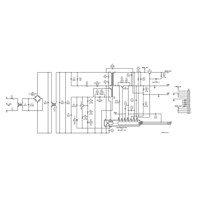
27 W USB PD 3.0,带有PPS充电器(5 V/3 A; 9 V/3 A; 3.3 V-11 V PPS输出)使用Innoswitch3-Pro(Inn3366C-H301)和通过实验室VP302 USB PD控制器
27 W USB PD 3.0,带有PPS充电器(5 V/3 A; 9 V/3 A; 3.3 V-11 V PPS输出)使用Innoswitch3-Pro(Inn3366C-H301)和通过实验室VP302 USB PD控制器
