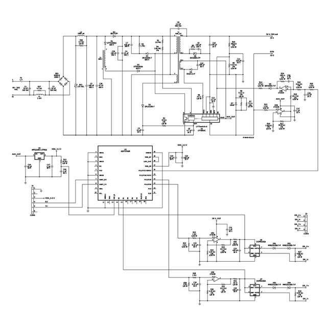
DER-646 - 9w,宽范围,隔离反激,带开关山谷填充,蓝牙跟踪灯 9w,宽范围,隔离反激,带有切换山谷填充,蓝牙跟踪灯,使用LYTSwitch-6 (LYT6063C),带有LensVector光束整形透镜 查看PDF 下载 BOB体育平台下载 产品 LYTSwitch-6
规范 设计类型 设计示例报告(DER) 拓扑结构 回扫 RoHS吗? 是的 电压输出1 30.00 V 文(分钟) 90 马克斯(Vin)的 265 简历/ CC 简历/ CC 效率 84.00% 欧盟ErP合规? 是的 孤立? 是的 LineComp 没有 输出数 1 输出功率 9.00 W OVP吗? 是的 PFC吗? 没有 相关的部分 LYT6063C Gerber文件 der - 646 _gerber.zip