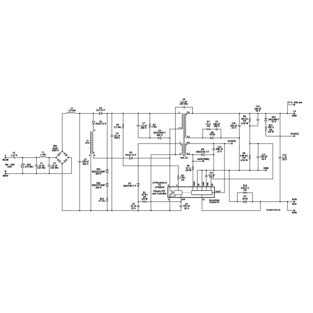
DER-630 - 12w高效、高功率因数、隔离反激电源,适用于使用LYTSwitch-6的智能照明 使用LYTSwitch-6 (LYT6065C)为智能RGBW LED筒灯供电Casambi cbm - 001Bluetooth Low Energy (BLE)模块。 查看PDF 下载 BOB体育平台下载 产品 LYTSwitch-6
规范 设计类型 设计示例报告(DER) 拓扑结构 回扫 RoHS吗? 是的 电压输出1 27.00 V 电压输出2 5.00 V 文(分钟) 90 马克斯(Vin)的 265 双向可控硅变暗? 没有 简历/ CC 简历/ CC 效率 85.00% 欧盟ErP合规? 是的 孤立? 是的 LineComp 没有 输出数 2 输出功率 12.00 W OVP吗? 是的 PFC吗? 是的 相关的部分 LYT6065C Gerber文件 der630_gerber.zip