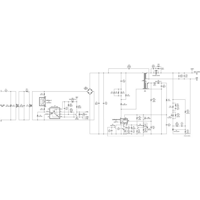
规范 设计类型 设计示例报告(DER) 拓扑结构 回扫 电压输出1 19.00 V 文(分钟) 90 马克斯(Vin)的 265 简历/ CC 简历 效率 88.00% 孤立? 是的 输出数 1 输出功率 45.00 W OVP吗? 是的 相关的部分 LNK6777E Gerber文件 rd581gerber.zip