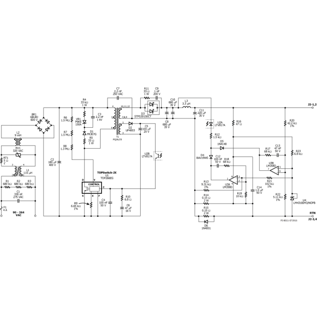
DER W - 566-70 Universal Input Non - PFC Flyback Charger Supply Look at the PDF Download the PDF application product TOPSwitch - JX
Product specification Design type The Design Example Reports (DER) topology Flyback Vout 1 23.00 V Vin (min) 90 Vin (Max) 264 CV/CC CV/CC Efficiency 85.00% Isolation? Yes Number of outputs 1 The output power 70.00 W. PFC? No Associated with Parts TOP266EG Gerber File Rd566gerber.zip