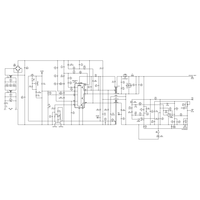
仕様 设计类型 设计示例报告(DER) トポロジー 2转前 +飞回 VOUT 1 23.00 v vin(最小) 90 VIN(最大) 132 CV/CC CV/CC 效率 87.00% 输出数量 1 出力 184.00 w PFC? 不 相关零件 TFS7704H Gerber文件 rd483gerber.zip