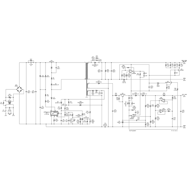
规范 设计类型 设计示例报告(DER) 拓扑结构 回扫 电压输出1 45.00 V 文(分钟) 90 马克斯(Vin)的 132 双向可控硅变暗? 是的 P(无载) 67.00兆瓦 简历/ CC CC 效率 85.00% 孤立? 是的 输出数 1 输出功率 30.00 W OVP吗? 是的 PFC吗? 是的 相关的部分 LYT4315E Gerber文件 rd442gerber.zip