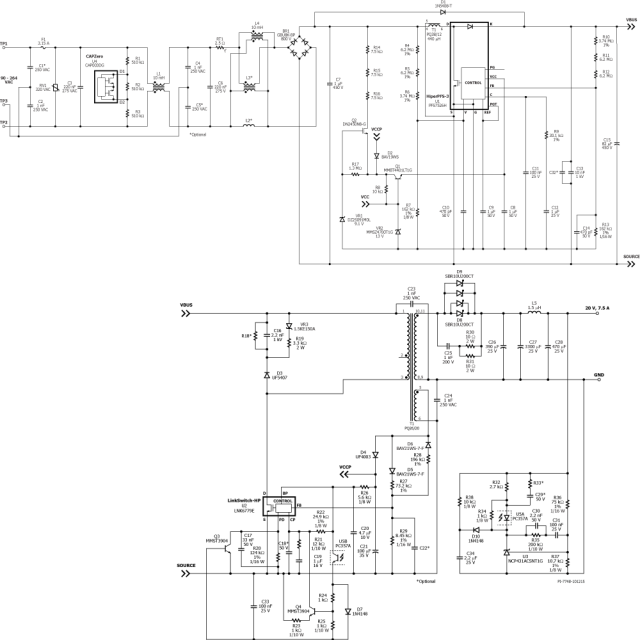
规格 设计类型 设计示例报告(DER) 拓扑 飞回来 VOUT 1 20.00 v vin(最小) 90 VIN(最大) 264 P(noload) 175.00兆瓦 CV/CC 简历 效率 80.00% 孤立? 是的 输出数量 1 输出功率 150.00 w OVP? 是的 PFC? 是的 相关零件 PFS7526H Gerber文件 rd437gerber.zip