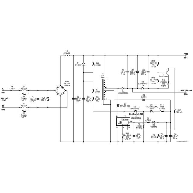
规格 设计类型 设计示例报告(DER) 拓扑 降压 VOUT 1 134.00 v vin(最小) 90 VIN(最大) 265 CV/CC CC 孤立? 不 输出数量 1 输出功率 24.00 w Gerber文件 rd356gerber.zip