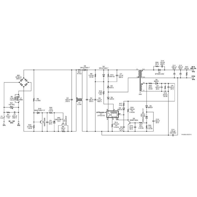
规范 设计类型 设计示例报告(DER) 拓扑结构 回扫 RoHS吗? 是的 电压输出1 36.00 V 文(分钟) 90 马克斯(Vin)的 132 双向可控硅变暗? 是的 效率 86.00% 孤立? 是的 输出数量 1 输出功率 20.00 W PFC吗? 是的 相关的部分 LYT4317 Gerber文件 rd350gerber.zip