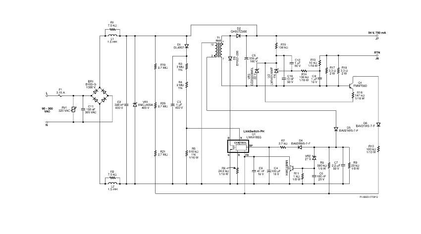
规格 设计类型 设计示例报告(DER) 拓扑 巴克 rohs? 是的 VOUT 1 54.00 v vin(最小) 90 VIN(最大) 300 CV/CC CC 效率 88.00% 孤立? 不 输出数量 1 输出功率 40.50 w PFC? 是的 相关零件 LNK419EG Gerber文件 rd340gerber.zip