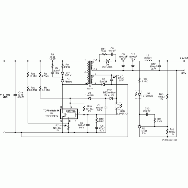
规范 设计类型 设计示例报告(DER) 拓扑结构 回扫 RoHS吗? 是的 电压输出1 5.00 V 文(分钟) 110 马克斯(Vin)的 400 输出数 1 输出功率 20.00 W 相关的部分 TOP264EG Gerber文件 rd247gerber.zip