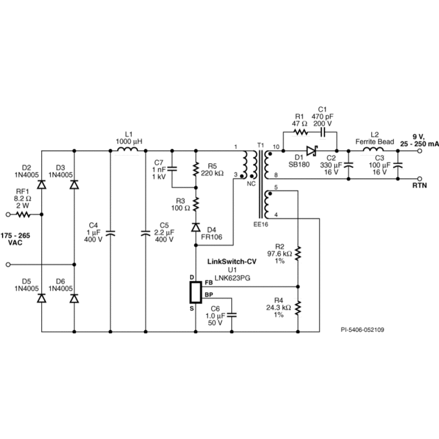
规范 设计类型 设计示例报告(DER) 拓扑结构 回扫 RoHS吗? 是的 电压输出1 9.00 V 文(分钟) 175 马克斯(Vin)的 265 简历/ CC 简历 孤立? 是的 输出数 1 输出功率 2.25 W 相关的部分 LNK623PG Gerber文件 rd214gerber.zip