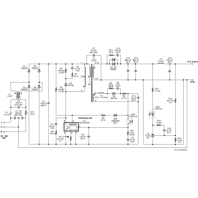
规范 设计类型 设计示例报告(DER) 拓扑结构 回扫 RoHS吗? 是的 电压输出1 13.00 V 文(分钟) 90 马克斯(Vin)的 264 孤立? 是的 输出数 1 输出功率 35.00 W 相关的部分 TOP257EN Gerber文件 rd187gerber.zip